سبد خرید خالی است
چراغ جلو
چراغ راهنمای کناری و چراغ آینه بیرونی
چراغ ترکیبی عقب 5F
چراغ پلاک عقب
REFLEX REFLECTOR
چراغ توقف مرکزی
چراغ داخلی صندوق چراغ
چراغ داخلی محفظه چراغ فرمان چپ
باتری کابل
گیره سیمکشی درب سقف
گیره سیمکشی موتور
گیره سیمکشی موتور محفظه
گیره سیمکشی کف
گیره سیمکشی دستگاه پنل
نمایشگر
کامپیوتر رله کلید بدنه فرمان چپ
کامپیوتر رله کلید کنسول
کامپیوتر رله کلید موتور گیربکس
کامپیوتر رله کلید موتور محفظه
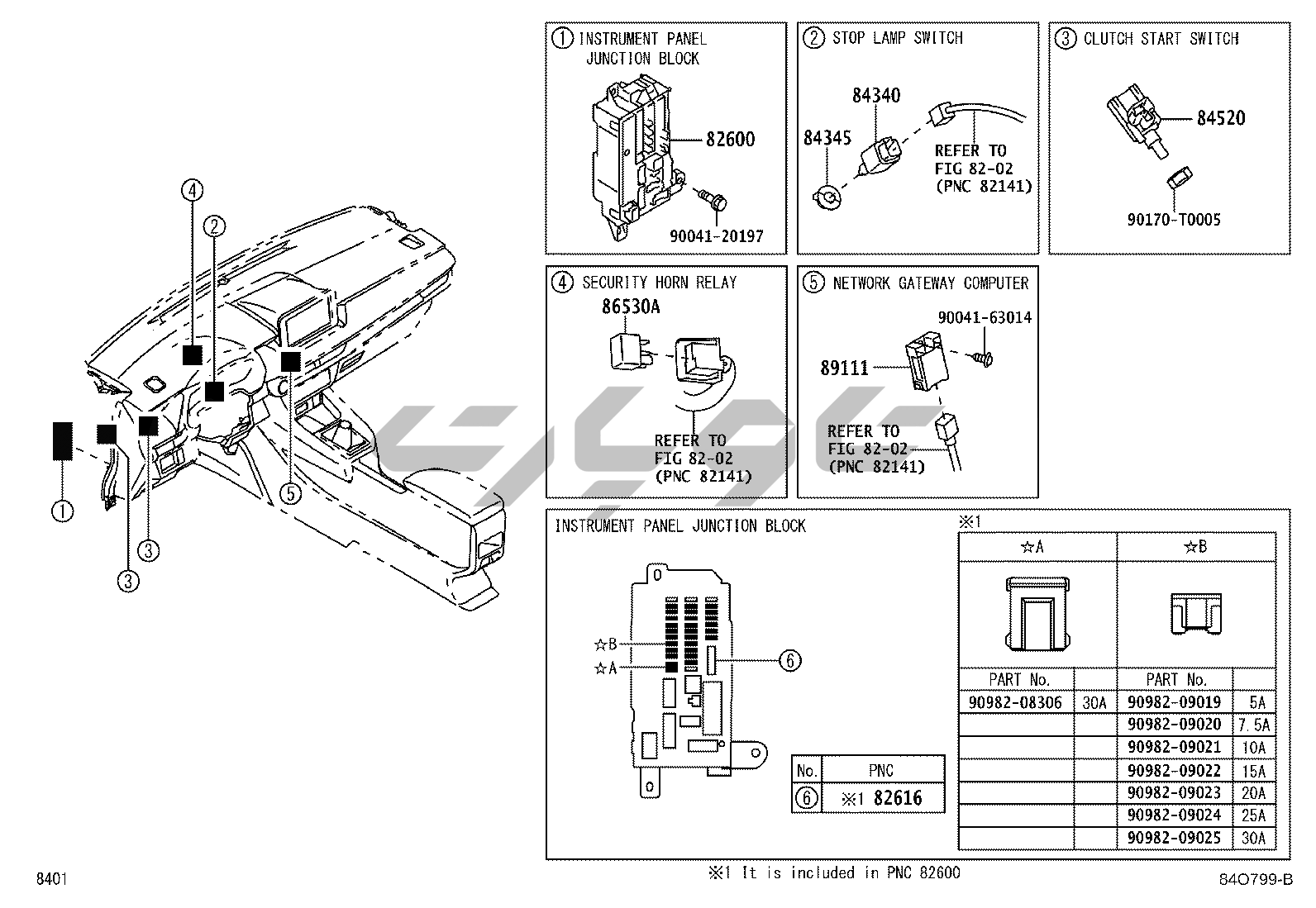
کامپیوتر رله کلید دستگاه پنل
کامپیوتر رله کلید صندلی بدنه
کامپیوتر رله کلید فرمان فرمان چپ
کامپیوتر رله کلید کلید
سیستم تزریق سوخت الکترونیکی
OVERDRIVE الکترونیکی CONTROLLED گیربکس
ای بی اس وی اس سی
قفل درب بیسیم
کیسه هوا
دستگاه ANTI-THEFT 5F فرمان راست
برفپاککن شیشه جلو
شوینده شیشه جلو
بلندگو
نمایشگر جلو NAVIGATION
آنتن
بوق
TELEPHONE MAYDAY 5F فرمان چپ
آینه
تهویه مطبوع گرمایش خنککننده واحد فرمان چپ
تهویه مطبوع گرمایش خنککننده واحد AUTO عقب هوا کانال فرمان چپ
تهویه مطبوع گرمایش خنککننده واحد REPAIR PATTERN فرمان چپ
تهویه مطبوع گرمایش کنترل هوا کانال هوا کانال جلو فرمان چپ
تهویه مطبوع گرمایش کنترل هوا کانال هوا کانال عقب فرمان چپ سیویتی
تهویه مطبوع گرمایش کنترل هوا کانال کنترل پنل MANUAL 5F MA
تهویه مطبوع گرمایش کنترل هوا کانال سنسور
تهویه مطبوع گرمایش آب لوله سیویتی
تهویه مطبوع گرمایش خنککننده لوله کندانسور
تهویه مطبوع گرمایش خنککننده لوله REPAIR PATTERN
تهویه مطبوع گرمایش خنککننده لوله لوله مجموعه
تهویه مطبوع گرمایش کمپرسور