سبد خرید خالی است
نگهدارنده اهرم تعویض
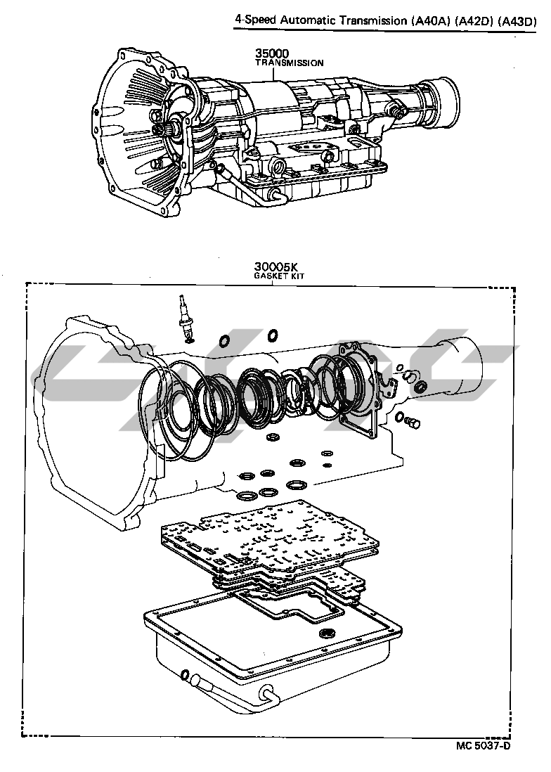
واشر ترنس اکسل یا گیربکس مجموعه کیت (ATM)
مبدل گشتاور , جلو روغن پمپ زنجیر (ATM)
CASE گیربکس روغن کف (ATM)
محفظه EXTENSION (ATM)
SPEEDOMETER DRIVEN دنده (ATM)
دنده OVERDRIVE (ATM)
دیسک ترمز BAND MULTIPLE کلاچ (ATM)
SUPPORT مرکز PLANETARY SUN دنده (ATM)
ترمز NO.3, REVERSE (ATM)
پیستون PLANETARY GEAR, REVERSE COUNTER دنده (ATM)
پمپ روغن عقب GOVERNOR TBO V2 VR VX (ATM)
سوپاپ بدنه روغن STRAINER MZ1 (ATM)
اتصال دریچه گاز سوپاپ اهرم (ATM)
اتصال دریچه گاز سوپاپ اهرم MZ1 (ATM)
لوله روغن خنککننده (ATM)
JOINT پروانه شافت UNIVERSAL
محفظه اکسل عقب دیفرانسیل MZ1 GT TBO GT TBO GT TBO GT
محفظه اکسل عقب دیفرانسیل GT
هاب محور اکسل عقب
دیسک چرخ کلاهک
هاب اکسل جلو
شافت ستون فرمان GT GTL TBO V2 VR
پمپ VANE مخزن TBO V2 VR (POWER_STEERING)
فرمان قدرت لوله
فرمان TBO V2
اتصال دنده فرمان جلو
کابل ترمز دستی
براکت پدال ترمز
سیلندر اصلی ترمز
بوستر ترمز وکیوم لوله TBO V2 VR
بوستر ترمز وکیوم لوله
کاور گرد و غبار کالیپر ترمز دیسکی جلو
دیسک عقب ترمز کالیپر گرد و غبار درپوش
گیره لوله ترمز
کیت ترمز MAINTENANCE
مفصل فرمان بازوی اکسل جلو
کمک فنر فنر جلو
کمک فنر فنر عقب