سبد خرید خالی است
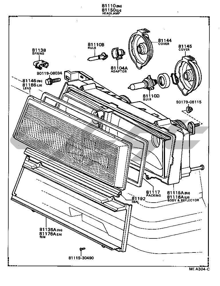
چراغ جلو
چراغ راهنمای جلو
CLEARANCE جلو چراغ
چراغ ترکیبی عقب
چراغ پلاک عقب
REFLEX REFLECTOR
چراغ داخلی
باتری کابل
گیره سیمکشی
نمایشگر
INDICATOR
کامپیوتر رله کلید
سیستم تزریق سوخت الکترونیکی
CRUISE کنترل GT GTL (AUTO_DRIVE)
الکترونیکی CONTROLLED گیربکس GT GTL
برفپاککن شیشه جلو
برفپاککن عقب GT GTL
شوینده شیشه جلو
شوینده عقب GT GTL
چراغ جلو تمیز کننده GT TBO V2 VR VX
درب موتور SOLENOID GT TBO V2 VR
کندانسور تقویتکننده گیرنده رادیو
بلندگو GT TBO V1 V2 VR
آنتن
بوق
آینه
تهویه مطبوع گرمایش بخاری واحد فن
تهویه مطبوع گرمایش خنککننده واحد GT GTL
تهویه مطبوع گرمایش کنترل هوا کانال GT GTL
تهویه مطبوع گرمایش کنترل هوا کانال
تهویه مطبوع گرمایش آب لوله
تهویه مطبوع گرمایش وکیوم لوله GT GTL
تهویه مطبوع گرمایش وکیوم لوله 5F
تهویه مطبوع گرمایش خنککننده لوله
تهویه مطبوع گرمایش کمپرسور