سبد خرید خالی است
نگهدارنده اهرم تعویض فرمان چپ سیویتی فرمان چپ CVTHD سیویتی CHL
مجموعه ترنس اکسل (سیویتی) داخلی PARTS سیویتی
مجموعه ترنس اکسل (سیویتی) داخلی PARTS سیویتی CHL GEINNER PARTS سیویتی CVTN IDN
مجموعه ترنس اکسل (سیویتی) ترنس اکسل مجموعه CVTTRANSAXLE مجموعه سیویتی CHL IDN
مجموعه ترنس اکسل (سیویتی) سوپاپ بدنه مجموعه سیویتی
مجموعه ترنس اکسل (سیویتی) سوپاپ بدنه مجموعه سیویتی CHL GEVALVE بدنه مجموعه سیویتی CVTN IDN
مبدل گشتاور , جلو روغن پمپ (سیویتی) سیویتی CHL IDN
لوله روغن خنککننده سیویتی (CVT)
لوله روغن خنککننده سیویتی CHL GE CVTN IDN (CVT)
هاب محور اکسل عقب 1KRVET WAVE 5F WAVE سیویتی CHL IDN
دیسک چرخ کلاهک
دیسک چرخ کلاهک 5F سیویتی
دیسک چرخ کلاهک 5F سیویتی CHL IDN
شافت محور جلو چپ 5F CVLH CHL IDN
شافت محور جلو راست 5F CVRH CHL IDN
هاب اکسل جلو 5F سیویتی CHL IDN
شافت ستون فرمان
فرمان CHL IDN 5F
اتصال دنده فرمان جلو فرمان چپ 5F GC LHDC فرمان چپ سیویتی CHL
کابل ترمز دستی 1KRVET WAVE 5F WAVE سیویتی CHL IDN
کابل ترمز دستی CHL سیویتی IDN
براکت پدال ترمز فرمان چپ 5F GC LHDC فرمان چپ سیویتی CHL
سیلندر اصلی ترمز 5F سیویتی CHL IDN
بوستر ترمز وکیوم لوله EJECTOR فرمان چپ 5F GCL EJECTOR LHDC فرمان چپ سیویتی CHL
کاور گرد و غبار کالیپر ترمز دیسکی جلو 1KRVET WAVE 5F WAVE سیویتی CHL IDN
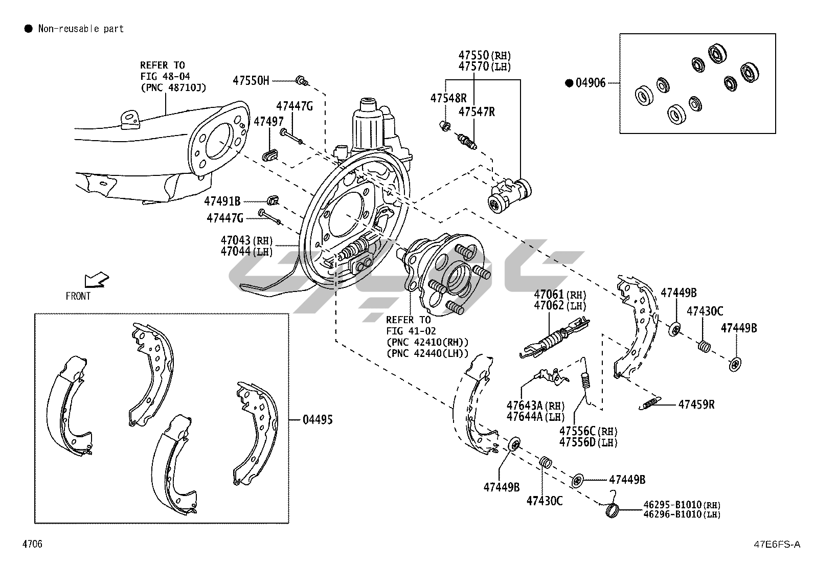
صفحه پشتیبان سیلندر چرخ ترمز کاسهای عقب 1KRVET WAVE 5F WAVE سیویتی CHL IDN
صفحه پشتیبان سیلندر چرخ ترمز کاسهای عقب CHL سیویتی IDN
گیره لوله ترمز عملگر LHDACTUATOR فرمان چپ 5F فرمان چپ سیویتی CHL
گیره لوله ترمز فرمان چپ 5F LHDC فرمان چپ سیویتی CHL
مفصل فرمان بازوی اکسل جلو 1KRVET WAVE 5F WAVE سیویتی CHL IDN
کمک فنر فنر جلو کمک فنر جاذب کمک فنر جاذب
کمک فنر فنر جلو STABILIZER کمک فنر جاذب 5F سیویتی CHL IDN
کمک فنر فنر عقب 5F سیویتی CHL IDN