سبد خرید خالی است
چراغ جلو LH8
چراغ راهنمای جلو LH8
چراغ ترکیبی عقب
چراغ پلاک عقب LH8
چراغ عقب کناری MARKER LH8
چراغ داخلی
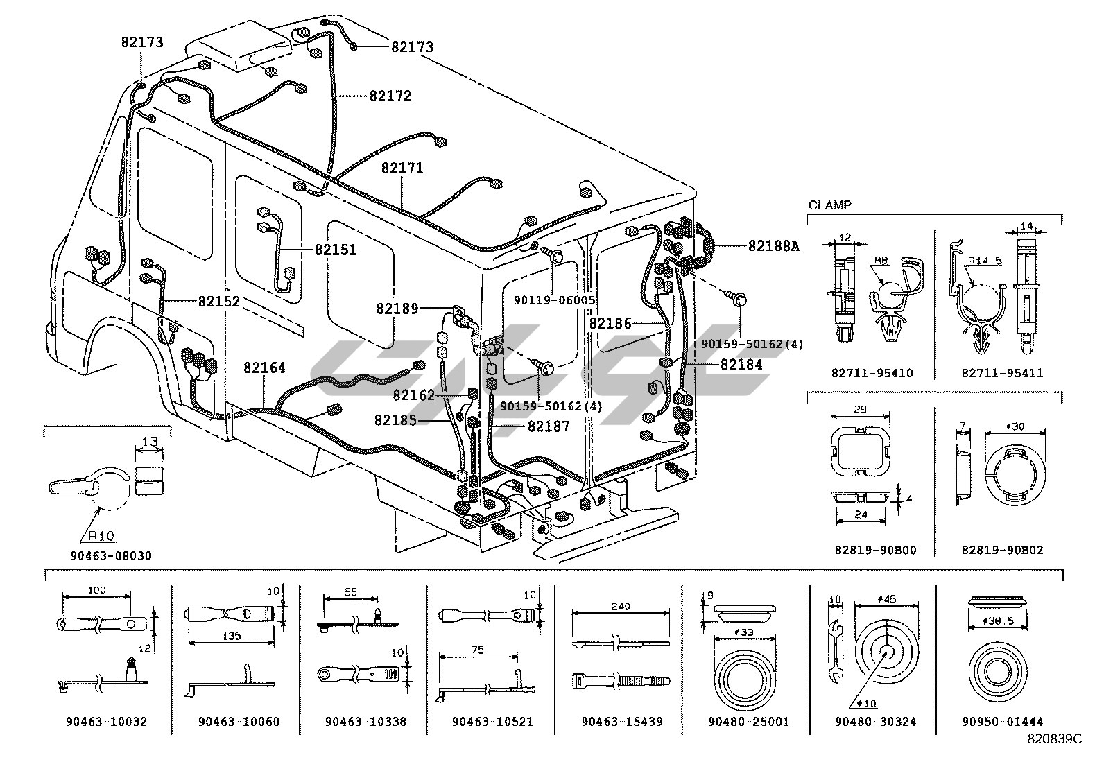
باتری کابل LH8
گیره سیمکشی LH8
نمایشگر amp LH8
نمایشگر LH8
کامپیوتر رله کلید LH8
OVERDRIVE الکترونیکی CONTROLLED گیربکس
قفل درب بیسیم LH8
برفپاککن شیشه جلو LH8
برفپاککن عقب
شوینده شیشه جلو LH8
شوینده عقب
کندانسور تقویتکننده گیرنده رادیو
بلندگو
آنتن
بوق
آینه
تهویه مطبوع گرمایش مجموعه
تهویه مطبوع گرمایش بخاری واحد فن LH8
تهویه مطبوع گرمایش خنککننده واحد LH8
تهویه مطبوع گرمایش کنترل هوا کانال LH8
تهویه مطبوع گرمایش آب لوله LH8
تهویه مطبوع گرمایش وکیوم لوله LH8
تهویه مطبوع گرمایش خنککننده لوله
تهویه مطبوع گرمایش کمپرسور LH8