سبد خرید خالی است
چراغ جلو
چراغ راهنمای جلو
چراغ ترکیبی عقب
چراغ پلاک عقب
چراغ عقب کناری MARKER
چراغ داخلی
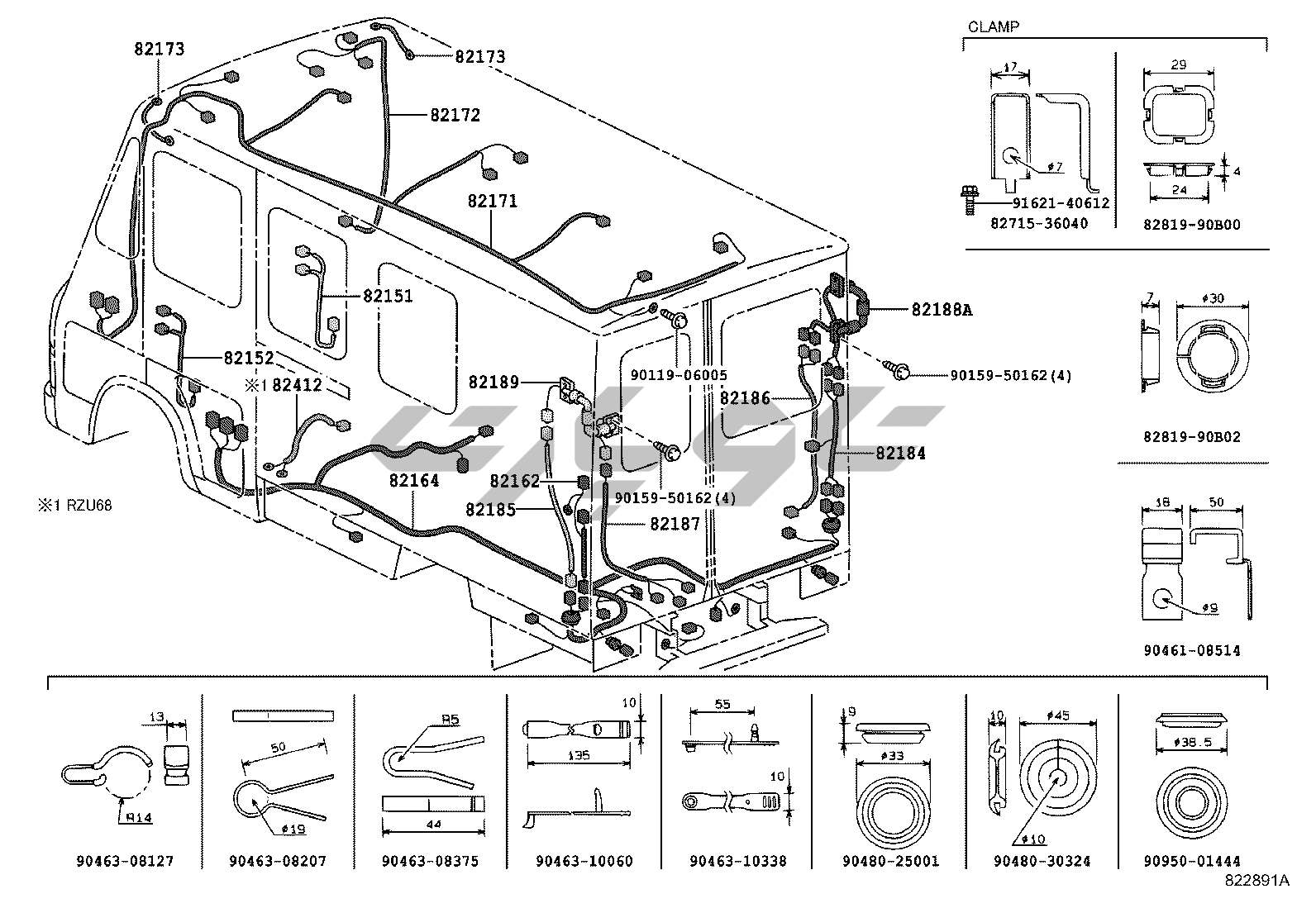
باتری کابل
گیره سیمکشی
نمایشگر amp
نمایشگر
کامپیوتر رله کلید
قفل درب بیسیم LH8
برفپاککن شیشه جلو
شوینده شیشه جلو
کندانسور تقویتکننده گیرنده رادیو
بلندگو
آنتن
بوق
آینه
تهویه مطبوع گرمایش مجموعه
تهویه مطبوع گرمایش بخاری واحد فن
تهویه مطبوع گرمایش خنککننده واحد
تهویه مطبوع گرمایش کنترل هوا کانال
تهویه مطبوع گرمایش آب لوله
تهویه مطبوع گرمایش وکیوم لوله
تهویه مطبوع گرمایش خنککننده لوله
تهویه مطبوع گرمایش کمپرسور