سبد خرید خالی است
چراغ جلو
چراغ راهنمای جلو
چراغ راهنمای کناری و چراغ آینه بیرونی
چراغ ترکیبی عقب
چراغ پلاک عقب
چراغ داخلی
باتری کابل
گیره سیمکشی
نمایشگر XL DLX HDX
INDICATOR
کامپیوتر رله کلید
برفپاککن شیشه جلو
شوینده شیشه جلو
کندانسور تقویتکننده گیرنده رادیو
بلندگو
آنتن
بوق
آینه
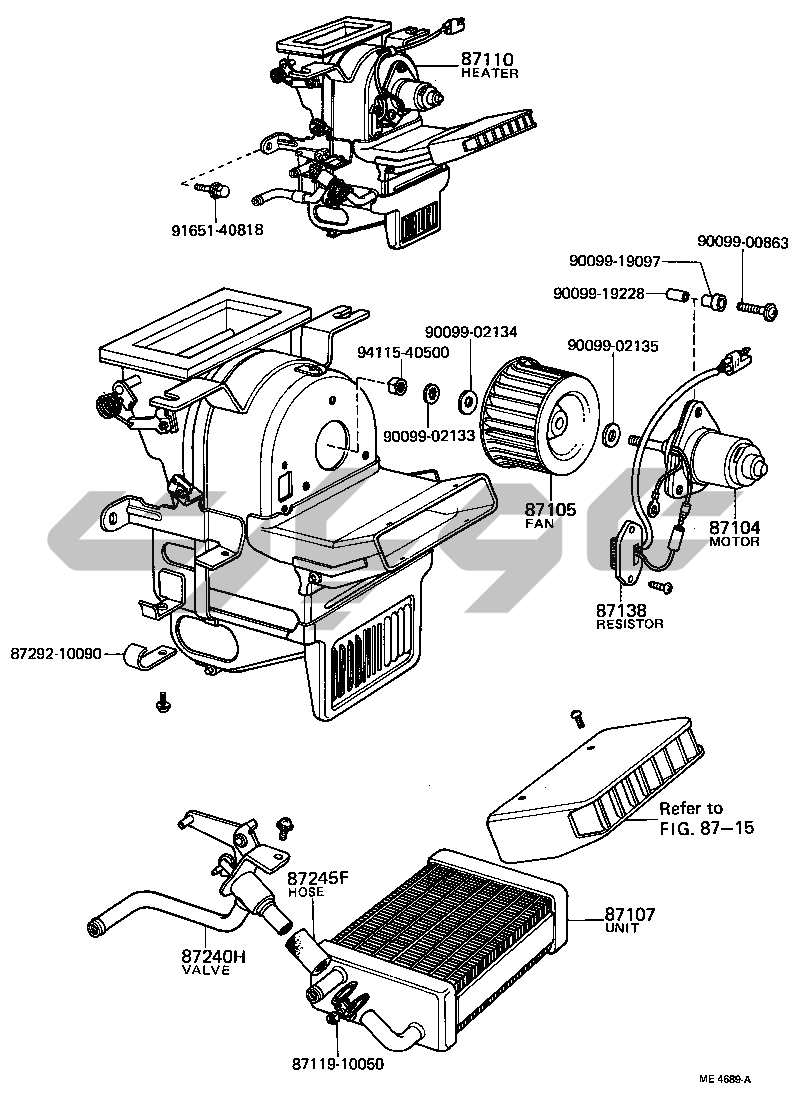
تهویه مطبوع گرمایش مجموعه KP3
تهویه مطبوع گرمایش بخاری واحد فن
تهویه مطبوع گرمایش خنککننده واحد
تهویه مطبوع گرمایش کنترل هوا کانال
تهویه مطبوع گرمایش آب لوله
تهویه مطبوع گرمایش وکیوم لوله
تهویه مطبوع گرمایش خنککننده لوله
تهویه مطبوع گرمایش کمپرسور KP3