سبد خرید خالی است
ابزار استاندارد
مجموعه جزئی موتور
بلوک کوتاه مجموعه
تعمیر اساسی موتور واشر کیت 2Y
سر سیلندر 2Y 3Y
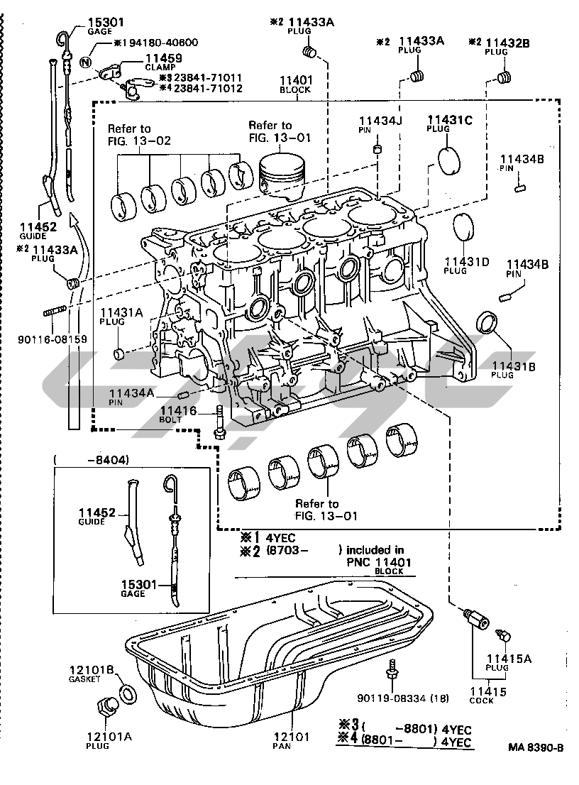
بلوک سیلندر 2Y 3Y
دنده تایمینگ درپوش عقب END صفحه 2Y 3Y
نصب 2Y 3Y
شیلنگ تهویه MA6293A MA6703 2Y 3Y
میل لنگ پیستون 2Y 3Y
میل بادامک سوپاپ 2Y 3Y
پمپ روغن موتور 2Y 3Y
فیلتر روغن 2Y 3Y
پمپ آب 2Y 3Y
خروجی آب رادیاتور 2Y
V-BELT
منیفولد (لوله ورودی/خروجی موتور) 2Y
لوله اگزوز 2Y 3Y EUR
فیلتر هوا 2Y 3Y EUR
فیلتر هوا 2Y 3Y
لوله وکیوم 2Y 3Y
لوله وکیوم
صفحه هشدار نام صفحه (موتور)
کویل جرقه، شمع، شمع گرمکن 2Y 3Y
DISTRIBUTOR 2Y
دینام 2Y
دینام 3Y
استارت 2Y
مجموعه CARBURETOR 2Y
CARBURETOR 2Y 3Y EUR
سوخت پمپ لوله 2Y
سوخت فیلتر 2Y