سبد خرید خالی است
ابزار استاندارد
مجموعه جزئی موتور
بلوک کوتاه مجموعه
تعمیر اساسی موتور واشر کیت 2Y
تعمیر اساسی موتور واشر کیت
سر سیلندر 2Y 3Y
سر سیلندر
بلوک سیلندر 2Y 3Y
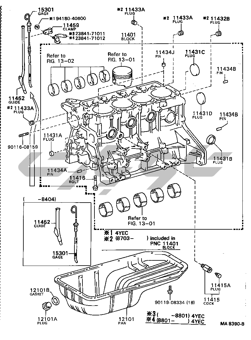
بلوک سیلندر
دنده تایمینگ درپوش عقب END صفحه 2Y 3Y
دنده تایمینگ درپوش عقب END صفحه
نصب 2Y 3Y
نصب
شیلنگ تهویه
شیلنگ تهویه MA6293A MA6703 2Y 3Y
میل لنگ پیستون 2Y 3Y
میل لنگ پیستون
میل بادامک سوپاپ 2Y 3Y
میل بادامک سوپاپ
پمپ روغن موتور 2Y 3Y
پمپ روغن موتور
فیلتر روغن 2Y 3Y
فیلتر روغن
پمپ آب 2Y 3Y
پمپ آب
خروجی آب رادیاتور 2Y
خروجی آب رادیاتور
V-BELT
منیفولد (لوله ورودی/خروجی موتور) 2Y
منیفولد (لوله ورودی/خروجی موتور)
لوله اگزوز 2Y 3Y EUR
لوله اگزوز
فیلتر هوا 2Y 3Y EUR
فیلتر هوا
فیلتر هوا 2Y 3Y
لوله وکیوم 2Y 3Y
لوله وکیوم 2Y EUR
لوله وکیوم
لوله وکیوم NEW ZEALAND SPEC
صفحه هشدار نام صفحه (موتور)
کویل جرقه، شمع، شمع گرمکن 2Y 3Y
کویل جرقه، شمع، شمع گرمکن
DISTRIBUTOR 2Y
DISTRIBUTOR
دینام 12 ولت 60A 70A
دینام 2Y
دینام 3Y
استارت 12 ولت
استارت 2Y
مجموعه CARBURETOR 2Y
مجموعه CARBURETOR
CARBURETOR 2Y 3Y EUR
CARBURETOR 3Y ARL
CARBURETOR NEW ZEALAND SPEC
سوخت پمپ لوله 2Y
سوخت پمپ لوله
سوخت فیلتر 2Y
فیلتر سوخت