سبد خرید خالی است
چراغ جلو
چراغ مه شکن
چراغ ترکیبی عقب
چراغ پلاک عقب
REFLEX REFLECTOR
چراغ توقف مرکزی
چراغ داخلی
باتری کابل
گیره سیمکشی کابل BOND
گیره سیمکشی براکت
گیره سیمکشی CONNECTOR
گیره سیمکشی درب
گیره سیمکشی موتور
گیره سیمکشی موتور محفظه
گیره سیمکشی کف سقف
گیره سیمکشی دستگاه پنل
گیره سیمکشی صندلی
نمایشگر
INDICATOR
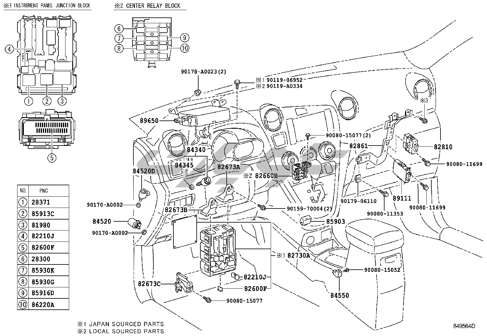
کامپیوتر رله کلید محافظ
کامپیوتر رله کلید درب سقف کف عقب درب
کامپیوتر رله کلید موتور گیربکس
کامپیوتر رله کلید موتور محفظه
کامپیوتر رله کلید جرقه ترکیبی کلید
کامپیوتر رله کلید دستگاه پنل
سیستم تزریق سوخت الکترونیکی
CRUISE کنترل (AUTO_DRIVE)
ای بی اس وی اس سی
LIGHT AUTOMATIC کنترل سیستم (CONLIGHT)
قفل درب بیسیم
کیسه هوا
دستگاه ANTI-THEFT
PRESSURE لاستیک WARNING سیستم
برفپاککن شیشه جلو
برفپاککن عقب
شوینده شیشه جلو
شوینده عقب
کندانسور تقویتکننده گیرنده رادیو
بلندگو
نمایشگر جلو NAVIGATION
آنتن
بوق
آینه
تهویه مطبوع گرمایش خنککننده واحد MANUAL هوا CONDITIONER
تهویه مطبوع گرمایش خنککننده واحد O RING
تهویه مطبوع گرمایش کنترل هوا کانال هوا کانال
تهویه مطبوع گرمایش کنترل هوا کانال کنترل پنل
تهویه مطبوع گرمایش کنترل هوا کانال سنسور
تهویه مطبوع گرمایش آب لوله
تهویه مطبوع گرمایش خنککننده لوله
تهویه مطبوع گرمایش خنککننده لوله O RING
تهویه مطبوع گرمایش کمپرسور