سبد خرید خالی است
چراغ جلو
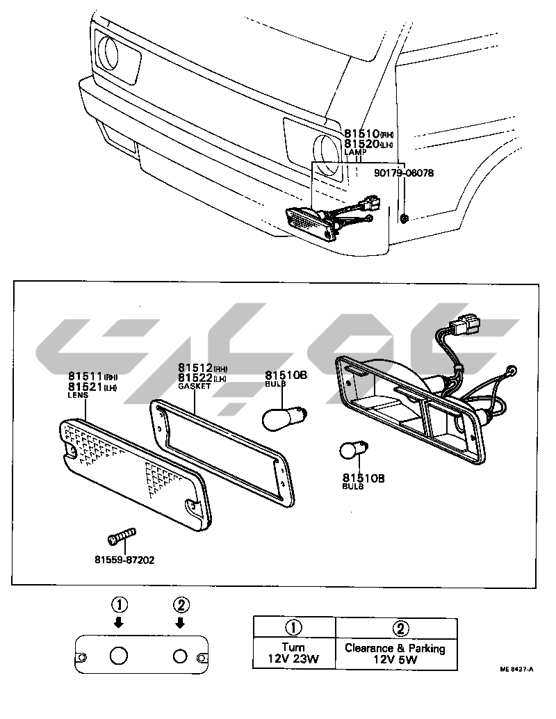
چراغ راهنمای جلو KR1 TR1 RR1
چراغ راهنمای جلو TR1
چراغ راهنمای جلو
چراغ راهنمای کناری و چراغ آینه بیرونی
چراغ ترکیبی عقب KR1
چراغ پلاک عقب KR1
چراغ داخلی
باتری کابل
گیره سیمکشی KR1
گیره سیمکشی
نمایشگر
INDICATOR
کامپیوتر رله کلید
برفپاککن شیشه جلو
برفپاککن عقب
شوینده شیشه جلو KR1 TR1
شوینده شیشه جلو KR1 TR1 RR1
شوینده شیشه جلو
شوینده عقب
کندانسور تقویتکننده گیرنده رادیو
بلندگو
آنتن
بوق
آینه
تهویه مطبوع گرمایش مجموعه
تهویه مطبوع گرمایش بخاری واحد فن KR1 TR1 RR1
تهویه مطبوع گرمایش بخاری واحد فن
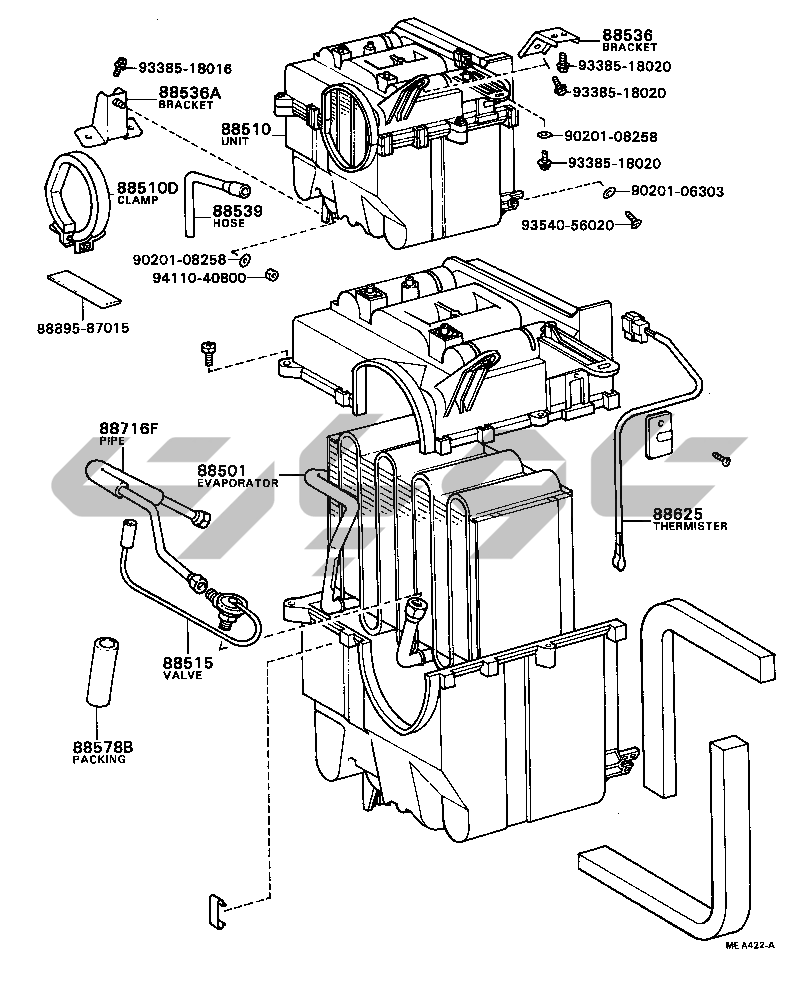
تهویه مطبوع گرمایش خنککننده واحد
تهویه مطبوع گرمایش کنترل هوا کانال KR1 TR1 RR1
تهویه مطبوع گرمایش کنترل هوا کانال
تهویه مطبوع گرمایش آب لوله
تهویه مطبوع گرمایش وکیوم لوله RR1
تهویه مطبوع گرمایش خنککننده لوله
تهویه مطبوع گرمایش کمپرسور