سبد خرید خالی است
ابزار استاندارد
مجموعه جزئی موتور
بلوک کوتاه مجموعه
تعمیر اساسی موتور واشر کیت 12T 13TU
سر سیلندر 13TU
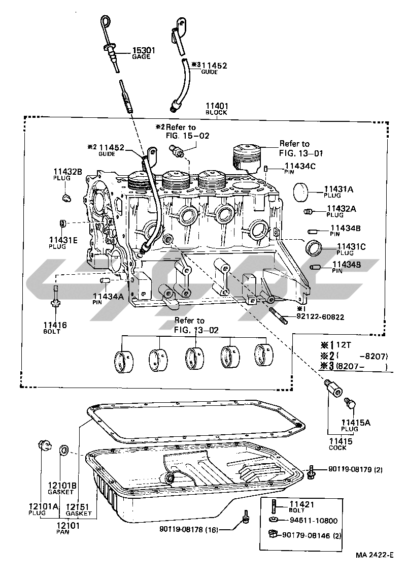
بلوک سیلندر 12T 13TU
دنده تایمینگ درپوش عقب END صفحه 12T 13TU
نصب 13TU
شیلنگ تهویه 12T 13TU
میل لنگ پیستون 12T 13TU
میل بادامک سوپاپ 12T 13TU
زنجیر تایمینگ MA8067B MA0426F 12T 13TU
پمپ روغن موتور MA0427H MA3356 12T 13TU
فیلتر روغن MA3884B MA0428E 12T 13TU
پمپ آب 13TU
خروجی آب رادیاتور 13TU
منیفولد (لوله ورودی/خروجی موتور) 13TU
لوله اگزوز
فیلتر هوا 13TU
سیستم تزریق منیفولد (لوله ورودی/خروجی موتور) هوا 13TU
لوله وکیوم 12T 13TU
لوله وکیوم
صفحه هشدار نام صفحه (موتور)
کویل جرقه، شمع، شمع گرمکن 12T
DISTRIBUTOR
دینام 13TU
استارت 13TU
سوخت لوله گیره 12T 13TU
مجموعه CARBURETOR 12T
CARBURETOR
سوخت پمپ لوله MF2000B MF2298A 13TU
سوخت فیلتر MF1629C MF2408 12T 13TU
سیستم گردش مجدد گاز اگزوز MF2380A MF2388