تویوتا Parts Catalog
برندنامکد
تویوتاتویوتاtown-masterace-v-wg-rr11-jrbwTOYOTA

دسته بندی

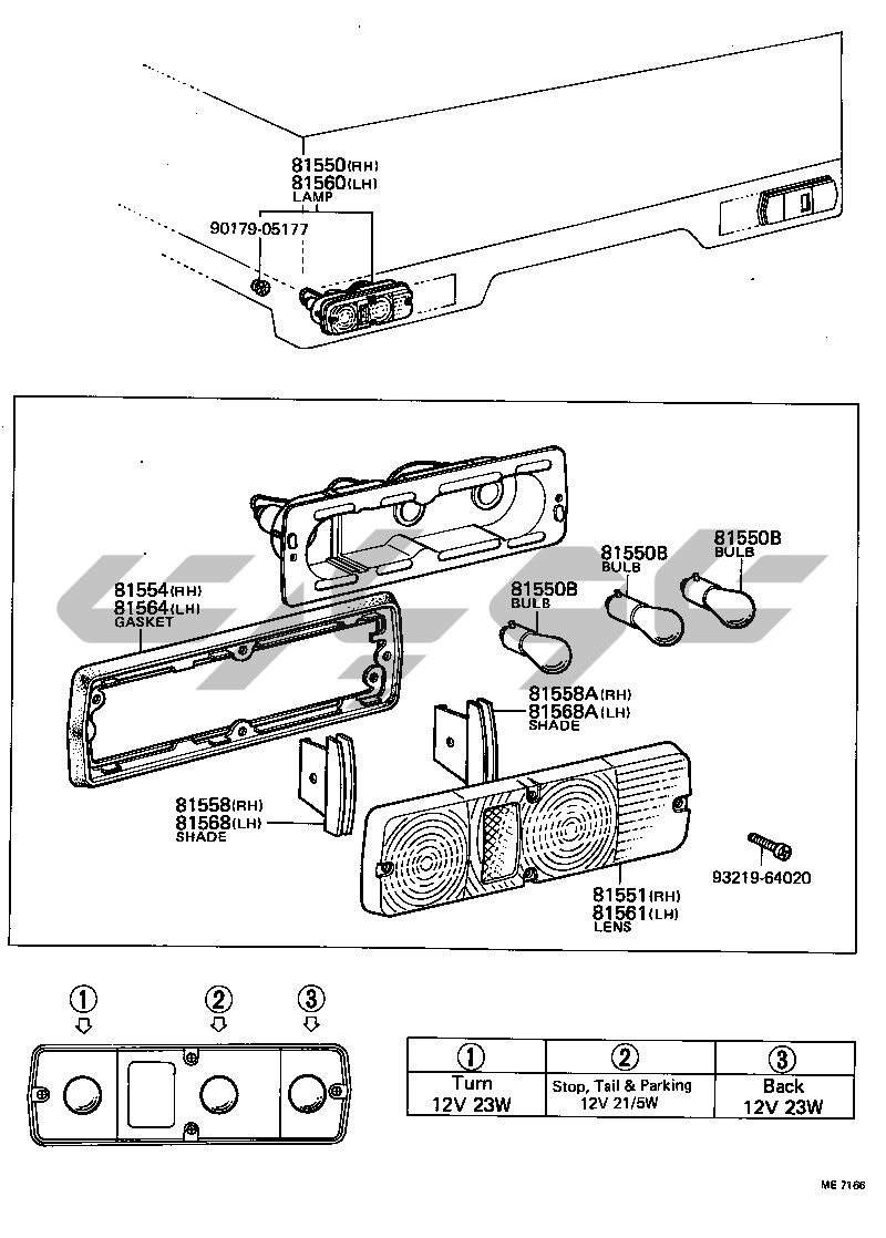
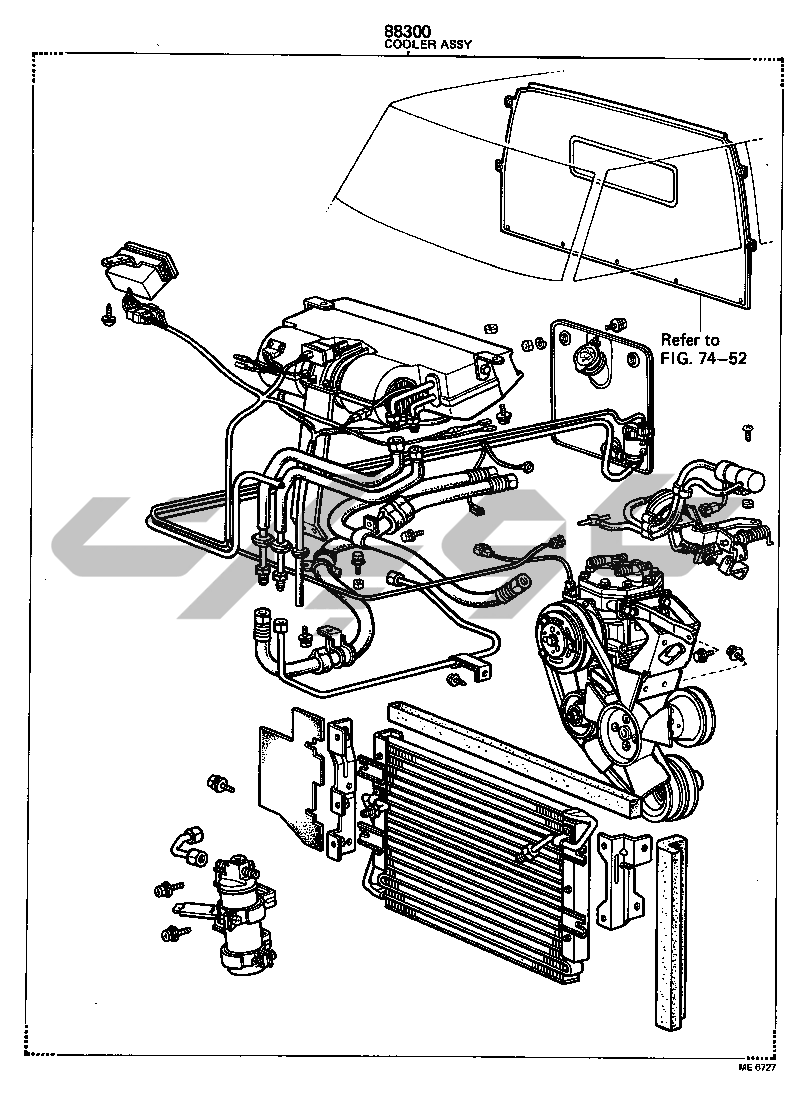
الکتریکی

تعداد کاتالوگ ها: 46