تویوتا Parts Catalog
برندنامکد
تویوتاتویوتاtown-masterace-v-wg-kr12v-jdzwTOYOTA

دسته بندی

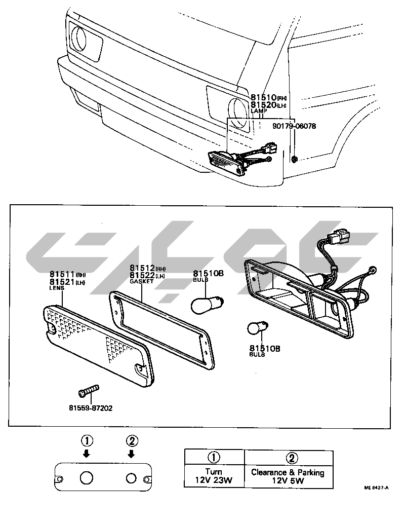
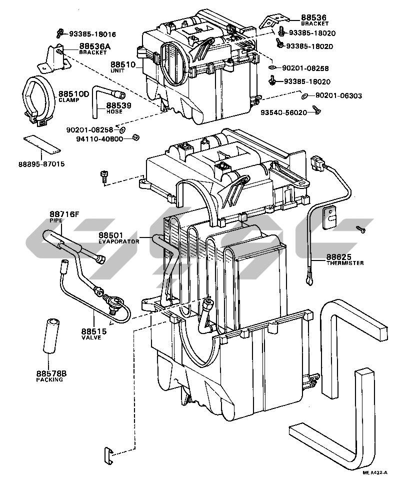
الکتریکی

تعداد کاتالوگ ها: 54