سبد خرید خالی است
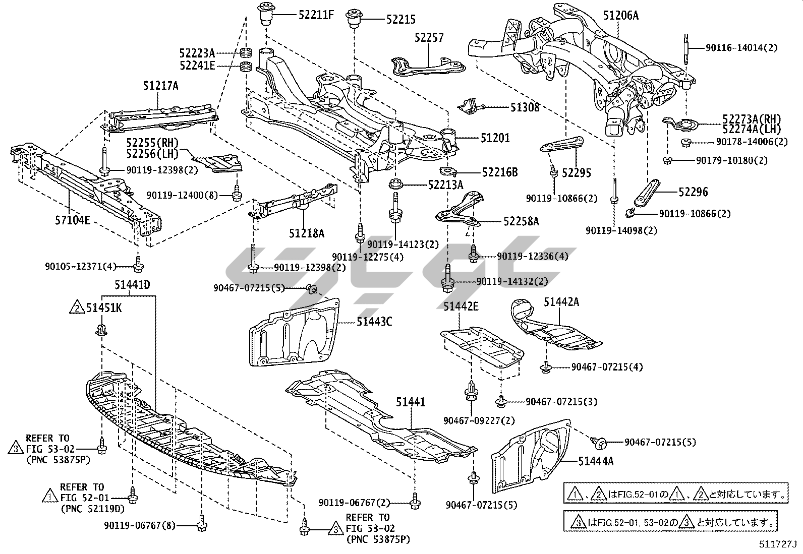
کاور زیر تیر عرضی تعلیق
نگهدارنده چرخ زاپاس
اتصال سپر جلو 240G 350G
اتصال سپر جلو 240G
اتصال سپر عقب
مشبک رادیاتور 240G 350G
مشبک رادیاتور 240G
کاپوت و گلگیر جلو
لولا قفل کاپوت
پنل داش محافظ گلگیر جلو 240F 240G
تیر کناری کف
محفظه دستکش پنل دستگاه
شیشه جلو پنل محافظ
درپوش سوراخ
پنل عقب پایین پنل کف
عایق کف
فرش کفپوش
براکت جعبه کنسول
تیر کناری
تیر کناری چپ
تیر کناری راست
تهویه کناری سقف
شیشه لچکی
شیشه پنجره عقب پنل سقف
تریم داخل تخته درب بازشو نوار تزئینی
بالشتک صدا خفه کن پوشش سقف 240F ARIAL
کاور تریم عرشه تخته عرشه
شیشه پنل درب جلو
دستگیره قفل درب جلو
لولا تنظیمکننده شیشه درب جلو
شیشه پنل درب عقب
دستگیره قفل درب عقب
لولا تنظیمکننده شیشه درب عقب
مجموعه سیلندر قفل
ریل صندلی جلو
ریل صندلی جلو 240F
ریل صندلی عقب
ریل صندلی عقب چپ
ریل صندلی عقب راست 240F 240G
صندلی محدودکننده کودک کمربند صندلی
صندلی محدودکننده کودک کمربند صندلی 240F 240G
شیب قدرت بالا برنده 240F 240G 350G
آفتابگیر دسته صندلی
نگهدارنده باتری
صفحه هشدار (EXTERIOR INTERIOR)
صفحه نام نشان (EXTERIOR INTERIOR)
نوار تزئینی کناری
نوار تزئینی عقب
اسپویلر گلگیر
لوله باک سوخت
اتصال شتابدهنده