سبد خرید خالی است
نگهدارنده اهرم تعویض
واشر ترنس اکسل یا گیربکس مجموعه کیت GX6 (ATM)
مبدل گشتاور , جلو روغن پمپ زنجیر (ATM) GX6
CASE گیربکس روغن کف (ATM)
محفظه EXTENSION (ATM)
SPEEDOMETER DRIVEN دنده (ATM)
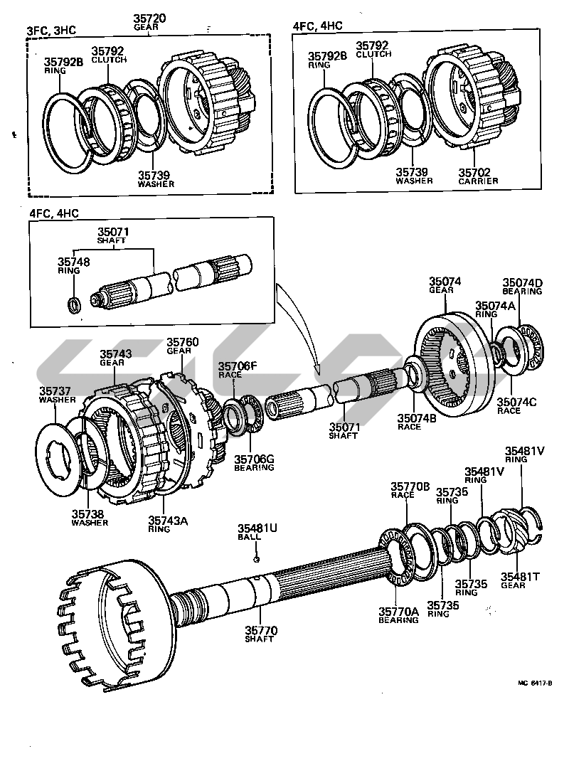
دنده OVERDRIVE GX6 ATM (ATM)
دیسک ترمز BAND MULTIPLE کلاچ GX6 ATM CBR DSL (ATM)
SUPPORT مرکز PLANETARY SUN دنده GX6 (ATM)
ترمز NO.3, REVERSE (ATM)
پیستون PLANETARY GEAR, REVERSE COUNTER دنده (ATM)
پمپ روغن عقب GOVERNOR ATM CBR DSL EFI LPG TBO (ATM)
سوپاپ بدنه روغن STRAINER GX6 (ATM)
سوپاپ بدنه روغن STRAINER GX6 ATM (ATM)
اتصال دریچه گاز سوپاپ اهرم (ATM)
اتصال دریچه گاز سوپاپ اهرم GX6 (ATM)
لوله روغن خنککننده (ATM)
JOINT پروانه شافت UNIVERSAL GX6 LX6 RX6 GL MX6 CBR DSL EFI LPG TBO
محفظه اکسل عقب دیفرانسیل
هاب محور اکسل عقب
دیسک چرخ کلاهک
هاب اکسل جلو
شافت ستون فرمان GX6 LX6 MX6 RX6 4F
شافت ستون فرمان DLX GL GT LE STD GX6 DLX GL LE
شافت ستون فرمان GL GX6 LX6 MX6 GL GR STD GX6
شافت ستون فرمان GX6 LX6 MX6 GL GR STD GX6
پمپ VANE مخزن GL GR (POWER_STEERING)
فرمان قدرت لوله GL GR
فرمان DLX GL
اتصال دنده فرمان جلو
کابل ترمز دستی
براکت پدال ترمز
سیلندر اصلی ترمز LX6 TX6 GX6 DLX GL GR LE LG
بوستر ترمز وکیوم لوله
کاور گرد و غبار کالیپر ترمز دیسکی جلو
صفحه پشتیبان سیلندر چرخ ترمز کاسهای عقب LX6 TX6 LE
گیره لوله ترمز LX6
کیت ترمز MAINTENANCE
مفصل فرمان بازوی اکسل جلو
کمک فنر فنر جلو
کمک فنر فنر عقب HT