سبد خرید خالی است
چراغ جلو SED
چراغ راهنمای جلو SED WG
CLEARANCE جلو چراغ SED
چراغ ترکیبی عقب
چراغ پلاک عقب HT SED
چراغ داخلی
باتری کابل RX6
گیره سیمکشی
گیره سیمکشی HT
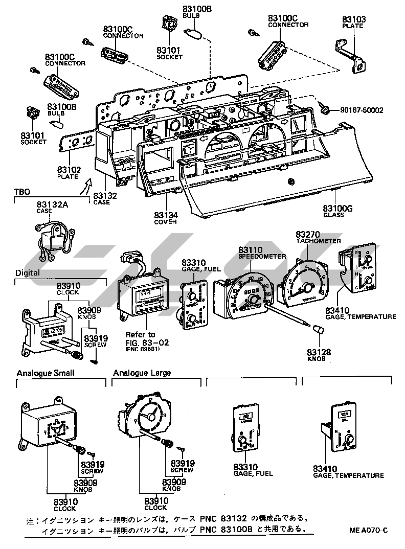
نمایشگر SED
نمایشگر
INDICATOR
کامپیوتر رله کلید
کامپیوتر رله کلید SED
برفپاککن شیشه جلو
شوینده شیشه جلو
کندانسور تقویتکننده گیرنده رادیو
بلندگو HT
آنتن HT
بوق
آینه
تهویه مطبوع گرمایش مجموعه
تهویه مطبوع گرمایش بخاری واحد فن RX6
تهویه مطبوع گرمایش بخاری واحد فن
تهویه مطبوع گرمایش خنککننده واحد DLX GL GR GT LE LG LGT
تهویه مطبوع گرمایش کنترل هوا کانال DLX GL GR LE LG LGT
تهویه مطبوع گرمایش کنترل هوا کانال
تهویه مطبوع گرمایش آب لوله
تهویه مطبوع گرمایش وکیوم لوله
تهویه مطبوع گرمایش خنککننده لوله
تهویه مطبوع گرمایش خنککننده لوله LX6 TX6
تهویه مطبوع گرمایش کمپرسور
تهویه مطبوع گرمایش کمپرسور RX6