سبد خرید خالی است
چراغ جلو SED
چراغ راهنمای جلو SED WG
CLEARANCE جلو چراغ SED
چراغ ترکیبی عقب
چراغ پلاک عقب HT SED
چراغ پلاک عقب MX6
چراغ داخلی
باتری کابل CBR GX6 MX6
گیره سیمکشی
گیره سیمکشی HT
نمایشگر SED
نمایشگر
INDICATOR
کامپیوتر رله کلید
کامپیوتر رله کلید SED
سیستم تزریق سوخت الکترونیکی
OVERDRIVE الکترونیکی CONTROLLED گیربکس ATM CBR DSL EFI LPG TBO
ای بی اس وی اس سی
برفپاککن شیشه جلو
شوینده شیشه جلو
چراغ جلو تمیز کننده GD GT LG
چراغ جلو تمیز کننده GD
درب موتور SOLENOID WG GR LE GX6 GD GL LG
کندانسور تقویتکننده گیرنده رادیو
بلندگو HT
آنتن HT
بوق
آینه
تهویه مطبوع گرمایش مجموعه
تهویه مطبوع گرمایش بخاری واحد فن
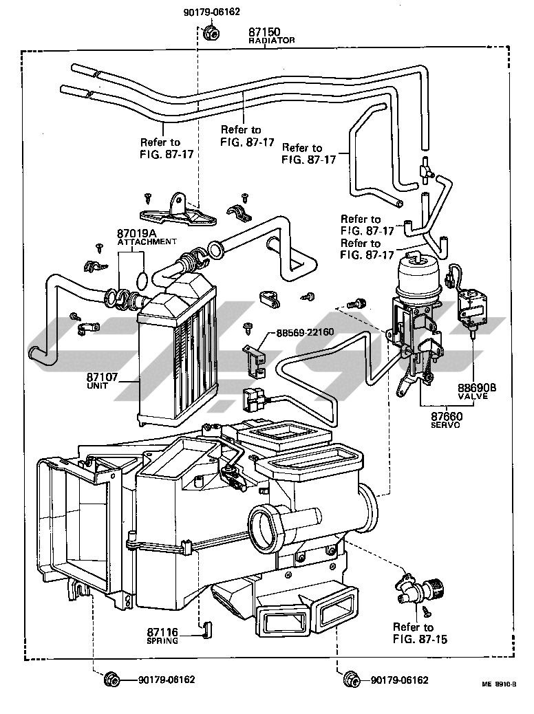
تهویه مطبوع گرمایش خنککننده واحد
تهویه مطبوع گرمایش کنترل هوا کانال DLX GL GR LE LG LGT
تهویه مطبوع گرمایش کنترل هوا کانال
تهویه مطبوع گرمایش آب لوله LX6
تهویه مطبوع گرمایش وکیوم لوله GX6 EFI
تهویه مطبوع گرمایش وکیوم لوله GX6
تهویه مطبوع گرمایش خنککننده لوله
تهویه مطبوع گرمایش خنککننده لوله GX6
تهویه مطبوع گرمایش کمپرسور