سبد خرید خالی است
چراغ جلو
چراغ مه شکن
چراغ راهنمای جلو
CLEARANCE جلو چراغ
چراغ ترکیبی عقب
چراغ پلاک عقب
چراغ داخلی
باتری کابل
گیره سیمکشی
نمایشگر GD
نمایشگر KYO GX7 GD GL GR GT LG
نمایشگر
INDICATOR
کامپیوتر رله کلید
سیستم تزریق سوخت الکترونیکی
سیستم تزریق سوخت الکترونیکی GX7
CRUISE کنترل EFI (AUTO_DRIVE)
CRUISE کنترل (AUTO_DRIVE)
الکترونیکی CONTROLLED گیربکس TBO TWC
ای بی اس وی اس سی
LIGHT AUTOMATIC کنترل سیستم (CONLIGHT)
الکترونیکی MODULATED تعلیق
برفپاککن شیشه جلو
برفپاککن عقب HT GD
شوینده شیشه جلو
شوینده عقب HT GD
درب موتور SOLENOID
صندلی موتور بخاری
کندانسور تقویتکننده گیرنده رادیو
بلندگو
آنتن
بوق
آینه
تهویه مطبوع گرمایش مجموعه
تهویه مطبوع گرمایش بخاری واحد فن
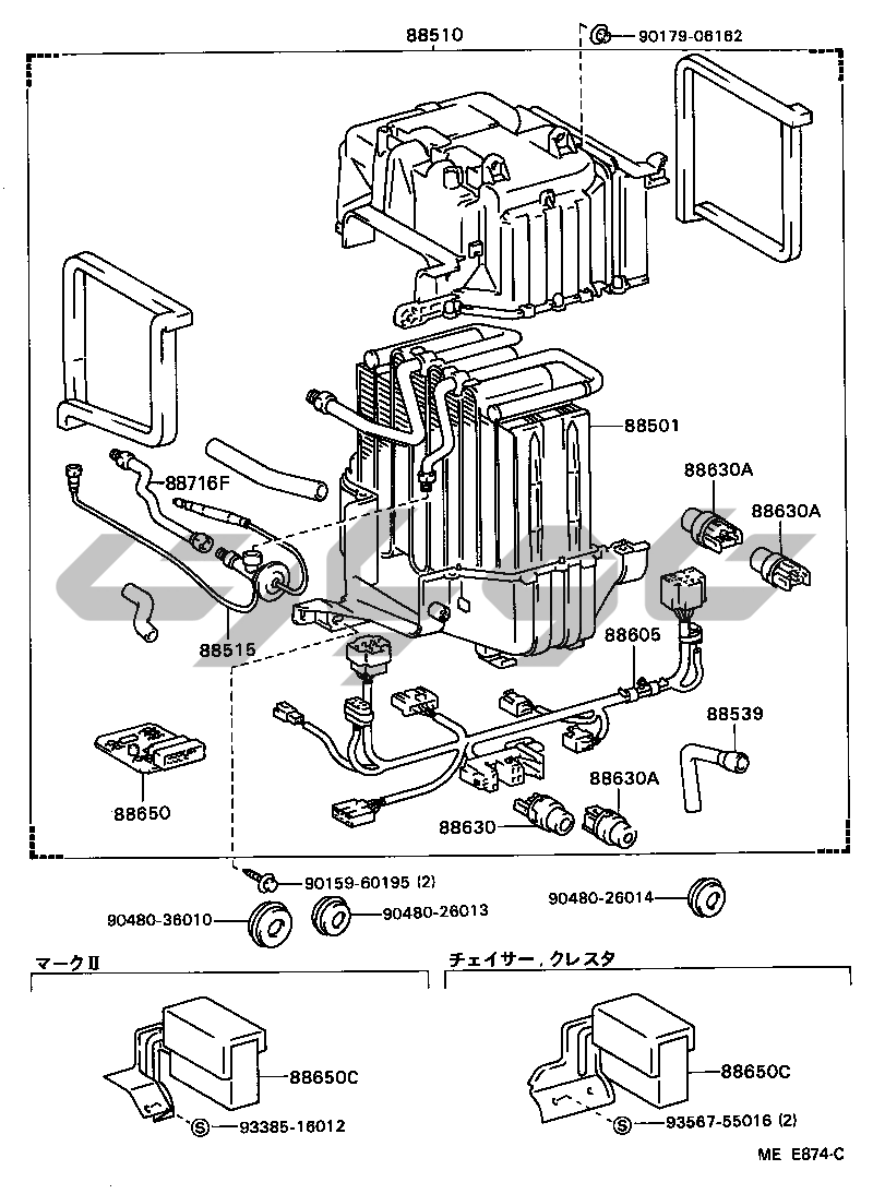
تهویه مطبوع گرمایش بخاری واحد فن GD
تهویه مطبوع گرمایش خنککننده واحد GD
تهویه مطبوع گرمایش کنترل هوا کانال GD
تهویه مطبوع گرمایش کنترل هوا کانال
تهویه مطبوع گرمایش کنترل هوا کانال GD GR GT
تهویه مطبوع گرمایش آب لوله EFI TBO
تهویه مطبوع گرمایش آب لوله
تهویه مطبوع گرمایش وکیوم لوله TBO
تهویه مطبوع گرمایش خنککننده لوله
تهویه مطبوع گرمایش خنککننده لوله TWT
تهویه مطبوع گرمایش خنککننده لوله GD
تهویه مطبوع گرمایش کمپرسور
QUICK HAND WARMER
ژنراتور یون یا تصفیهکننده هوا