سبد خرید خالی است
چراغ جلو
چراغ مه شکن
چراغ راهنمای جلو
CLEARANCE جلو چراغ
چراغ ترکیبی عقب
چراغ پلاک عقب
چراغ داخلی
باتری کابل
گیره سیمکشی
نمایشگر GD
نمایشگر KYO GX7 GD GL GR GT LG
نمایشگر
INDICATOR
کامپیوتر رله کلید
سیستم تزریق سوخت الکترونیکی
سیستم تزریق سوخت الکترونیکی GX7
CRUISE کنترل TBO (AUTO_DRIVE)
CRUISE کنترل (AUTO_DRIVE)
LIGHT AUTOMATIC کنترل سیستم (CONLIGHT)
برفپاککن شیشه جلو
برفپاککن عقب HT GD
شوینده شیشه جلو
شوینده عقب HT GD
درب موتور SOLENOID
صندلی موتور بخاری
کندانسور تقویتکننده گیرنده رادیو
بلندگو
آنتن
بوق
آینه
تهویه مطبوع گرمایش مجموعه
تهویه مطبوع گرمایش بخاری واحد فن
تهویه مطبوع گرمایش بخاری واحد فن GD
تهویه مطبوع گرمایش خنککننده واحد GD
تهویه مطبوع گرمایش کنترل هوا کانال GD
تهویه مطبوع گرمایش کنترل هوا کانال
تهویه مطبوع گرمایش کنترل هوا کانال GD GR GT
تهویه مطبوع گرمایش آب لوله
تهویه مطبوع گرمایش وکیوم لوله
تهویه مطبوع گرمایش خنککننده لوله TWT
تهویه مطبوع گرمایش خنککننده لوله GD
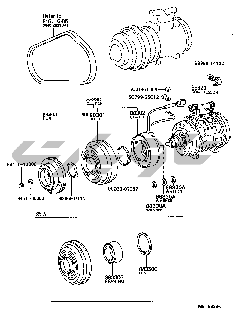
تهویه مطبوع گرمایش کمپرسور
QUICK HAND WARMER
ژنراتور یون یا تصفیهکننده هوا