سبد خرید خالی است
چراغ جلو SED
چراغ مه شکن SED
چراغ راهنمای جلو
CLEARANCE جلو چراغ SED
چراغ ترکیبی عقب
چراغ پلاک عقب
چراغ داخلی
باتری کابل
گیره سیمکشی
نمایشگر KYO GX7 GD GL GR GT LG
نمایشگر
INDICATOR
کامپیوتر رله کلید
سیستم تزریق سوخت الکترونیکی
سیستم تزریق سوخت الکترونیکی GX7
CRUISE کنترل EFI (AUTO_DRIVE)
CRUISE کنترل (AUTO_DRIVE)
OVERDRIVE الکترونیکی CONTROLLED گیربکس ATM CBR EFI
LIGHT AUTOMATIC کنترل سیستم (CONLIGHT)
برفپاککن شیشه جلو
شوینده شیشه جلو
درب موتور SOLENOID
صندلی موتور بخاری
کندانسور تقویتکننده گیرنده رادیو
بلندگو
آنتن
بوق
آینه
تهویه مطبوع گرمایش مجموعه
تهویه مطبوع گرمایش بخاری واحد فن
تهویه مطبوع گرمایش بخاری واحد فن DX GL KYO LS
تهویه مطبوع گرمایش خنککننده واحد DX GL GR KYO LG LS
تهویه مطبوع گرمایش کنترل هوا کانال GR LG DX GL KYO LS
تهویه مطبوع گرمایش کنترل هوا کانال
تهویه مطبوع گرمایش آب لوله EFI TBO
تهویه مطبوع گرمایش آب لوله
تهویه مطبوع گرمایش خنککننده لوله GX7 GL GR KYO LG LS
تهویه مطبوع گرمایش خنککننده لوله LG
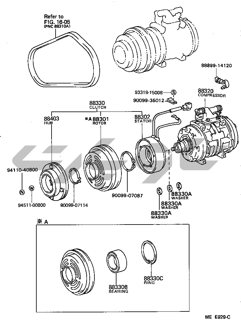
تهویه مطبوع گرمایش کمپرسور
QUICK HAND WARMER
ژنراتور یون یا تصفیهکننده هوا