سبد خرید خالی است
چراغ جلو
چراغ راهنمای جلو SED WG
CLEARANCE جلو چراغ
چراغ ترکیبی عقب
چراغ پلاک عقب MX6
چراغ داخلی
باتری کابل CBR GX6 MX6
گیره سیمکشی
گیره سیمکشی HT
نمایشگر
نمایشگر HT
INDICATOR
کامپیوتر رله کلید
سیستم تزریق سوخت الکترونیکی
CRUISE کنترل GX6 GD LG LGT (AUTO_DRIVE)
ای بی اس وی اس سی
برفپاککن شیشه جلو
برفپاککن عقب GX6 GD GT LG LGT SED LGT HT LGT HT GD HT
شوینده شیشه جلو
شوینده عقب GX6 GD GT LG LGT SED LGT HT LGT HT GD HT
چراغ جلو تمیز کننده GD
درب موتور SOLENOID WG GR LE GX6 GD GL LG
کندانسور تقویتکننده گیرنده رادیو
بلندگو HT
آنتن HT
بوق
آینه
تهویه مطبوع گرمایش مجموعه
تهویه مطبوع گرمایش بخاری واحد فن
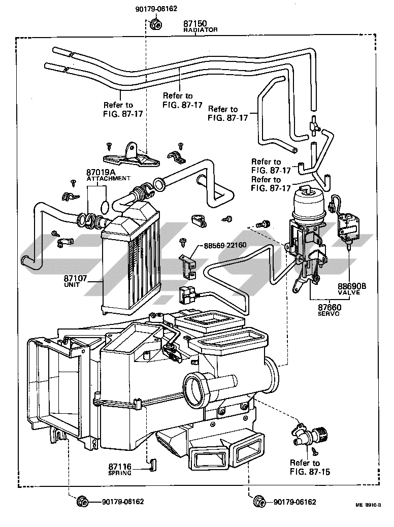
تهویه مطبوع گرمایش خنککننده واحد
تهویه مطبوع گرمایش کنترل هوا کانال
تهویه مطبوع گرمایش آب لوله GX6
تهویه مطبوع گرمایش وکیوم لوله GX6
تهویه مطبوع گرمایش خنککننده لوله
تهویه مطبوع گرمایش خنککننده لوله GX6
تهویه مطبوع گرمایش کمپرسور