سبد خرید خالی است
نگهدارنده اهرم تعویض
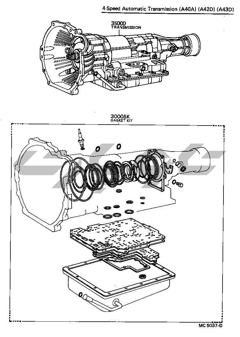
واشر ترنس اکسل یا گیربکس مجموعه کیت GX6 (ATM)
مبدل گشتاور , جلو روغن پمپ زنجیر (ATM) GX6
CASE گیربکس روغن کف GX6 ATM (ATM)
محفظه EXTENSION (ATM)
SPEEDOMETER DRIVEN دنده (ATM)
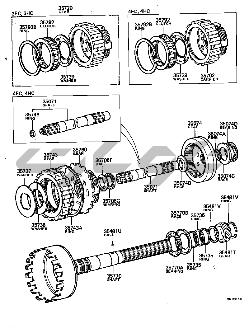
دنده OVERDRIVE GX6 (ATM)
دیسک ترمز BAND MULTIPLE کلاچ GX6 ATM CBR DSL (ATM)
SUPPORT مرکز PLANETARY SUN دنده MX6 TX6 ATM (ATM)
SUPPORT مرکز PLANETARY SUN دنده GX6 (ATM)
ترمز NO.3, REVERSE (ATM)
پیستون PLANETARY GEAR, REVERSE COUNTER دنده (ATM)
پمپ روغن عقب GOVERNOR ATM CBR DSL EFI LPG TBO (ATM)
سوپاپ بدنه روغن STRAINER ATM (ATM)
اتصال دریچه گاز سوپاپ اهرم (ATM)
اتصال دریچه گاز سوپاپ اهرم GX6 (ATM)
لوله روغن خنککننده GX6 ATM (ATM)
JOINT پروانه شافت UNIVERSAL GX6 LX6 RX6 GL MX6 CBR DSL EFI LPG TBO
محفظه اکسل عقب دیفرانسیل ATM
هاب محور اکسل عقب
هاب محور اکسل عقب EFI TDE TWC TDE
دیسک چرخ کلاهک
هاب اکسل جلو
شافت ستون فرمان GX6 LX6 MX6 RX6 4F
شافت ستون فرمان GL GX6 LX6 MX6 GL GR STD GX6
شافت ستون فرمان GX6 LX6 MX6 GL GR STD GX6
پمپ VANE مخزن GX6 EFI (POWER_STEERING)
فرمان قدرت لوله GX6
فرمان SED GR SED WG GD GL LE LG LGT DSL EFI TBO
اتصال دنده فرمان جلو
کابل ترمز دستی
براکت پدال ترمز
سیلندر اصلی ترمز LX6 TX6 GX6 DLX GL GR LE LG
بوستر ترمز وکیوم لوله LE
بوستر ترمز وکیوم لوله GX6
کاور گرد و غبار کالیپر ترمز دیسکی جلو
صفحه پشتیبان سیلندر چرخ ترمز کاسهای عقب LX6 TX6 LE
گیره لوله ترمز
کیت ترمز MAINTENANCE
مفصل فرمان بازوی اکسل جلو
کمک فنر فنر جلو
کمک فنر فنر عقب