سبد خرید خالی است
چراغ جلو SED
چراغ راهنمای جلو SED WG
CLEARANCE جلو چراغ SED
چراغ ترکیبی عقب
چراغ پلاک عقب MX6
چراغ داخلی
باتری کابل CBR GX6 MX6
گیره سیمکشی
گیره سیمکشی HT
نمایشگر SED
نمایشگر
INDICATOR
کامپیوتر رله کلید
کامپیوتر رله کلید SED
سیستم تزریق سوخت الکترونیکی
CRUISE کنترل GX6 GD LG LGT (AUTO_DRIVE)
ای بی اس وی اس سی
برفپاککن شیشه جلو
شوینده شیشه جلو
چراغ جلو تمیز کننده GD
درب موتور SOLENOID WG GR LE GX6 GD GL LG
کندانسور تقویتکننده گیرنده رادیو
بلندگو HT
آنتن HT
بوق
آینه
تهویه مطبوع گرمایش مجموعه
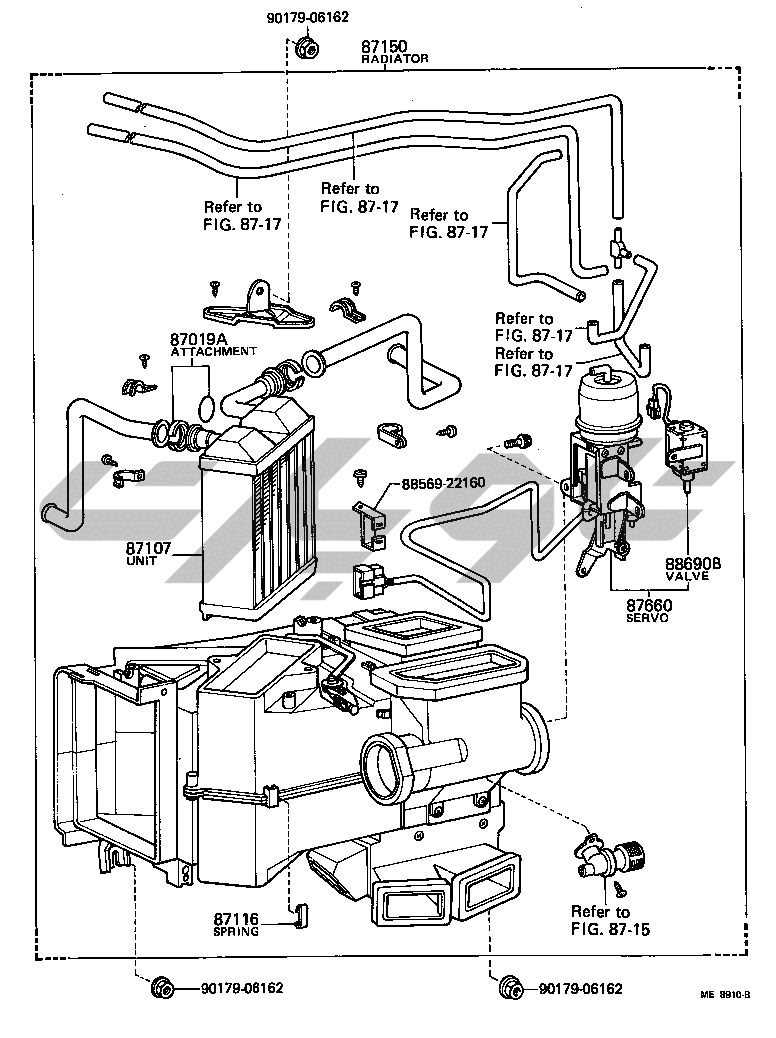
تهویه مطبوع گرمایش بخاری واحد فن
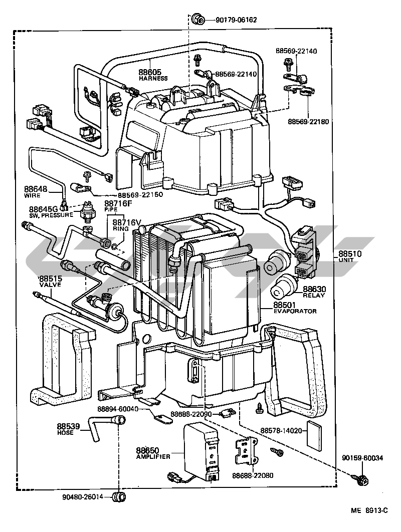
تهویه مطبوع گرمایش خنککننده واحد
تهویه مطبوع گرمایش کنترل هوا کانال
تهویه مطبوع گرمایش آب لوله GX6
تهویه مطبوع گرمایش وکیوم لوله GX6
تهویه مطبوع گرمایش خنککننده لوله
تهویه مطبوع گرمایش خنککننده لوله GX6
تهویه مطبوع گرمایش کمپرسور