سبد خرید خالی است
چراغ جلو SED
چراغ راهنمای جلو SED WG
CLEARANCE جلو چراغ SED
چراغ ترکیبی عقب
چراغ پلاک عقب HT SED
چراغ داخلی
باتری کابل CBR GX6 MX6
گیره سیمکشی
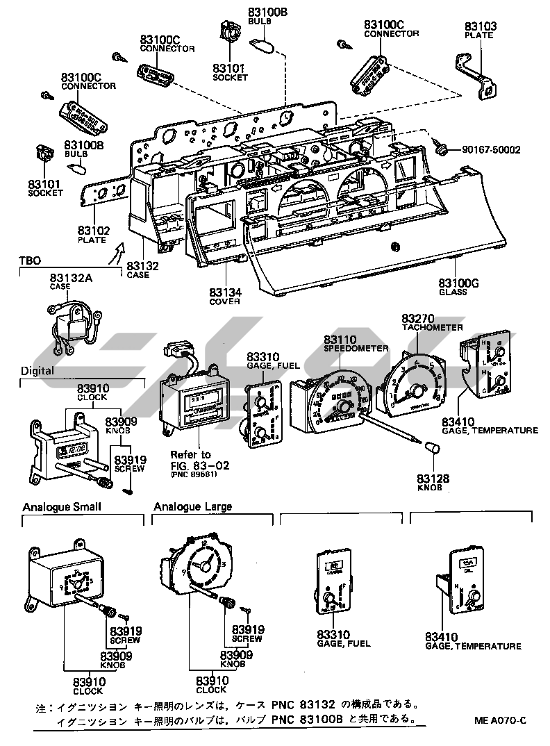
نمایشگر SED
نمایشگر
INDICATOR
کامپیوتر رله کلید
کامپیوتر رله کلید SED
سیستم تزریق سوخت الکترونیکی GX6
برفپاککن شیشه جلو
برفپاککن عقب
شوینده شیشه جلو
شوینده عقب
درب موتور SOLENOID WG GR LE GX6 GD GL LG
کندانسور تقویتکننده گیرنده رادیو
بلندگو
آنتن
بوق
آینه
تهویه مطبوع گرمایش مجموعه
تهویه مطبوع گرمایش بخاری واحد فن GX6 LX6 DLX GL LE LG
تهویه مطبوع گرمایش بخاری واحد فن
تهویه مطبوع گرمایش خنککننده واحد DLX GL GR GT LE LG LGT
تهویه مطبوع گرمایش کنترل هوا کانال DLX GL GR LE LG LGT
تهویه مطبوع گرمایش کنترل هوا کانال
تهویه مطبوع گرمایش آب لوله GX6
تهویه مطبوع گرمایش وکیوم لوله GX6 EFI
تهویه مطبوع گرمایش وکیوم لوله GX6
تهویه مطبوع گرمایش خنککننده لوله
تهویه مطبوع گرمایش خنککننده لوله GX6
تهویه مطبوع گرمایش کمپرسور