سبد خرید خالی است
چراغ جلو DLX STD SW SUP
چراغ راهنمای جلو
چراغ ترکیبی عقب
چراغ پلاک عقب TR
چراغ داخلی
باتری کابل
گیره سیمکشی
نمایشگر
کامپیوتر رله کلید KM2
کامپیوتر رله کلید
برفپاککن شیشه جلو
برفپاککن عقب WG CS7 DLX FXV GXL MTP SUP SW
شوینده شیشه جلو
شوینده عقب WG CS7 DLX FXV GXL MTP SUP SW
کندانسور تقویتکننده گیرنده رادیو DLX FXV GXL SUP
کندانسور تقویتکننده گیرنده رادیو DLX GXL SUP
کندانسور تقویتکننده گیرنده رادیو DLX FXV GXL
بلندگو
بلندگو DLX FXV GXL
آنتن
بوق
آینه
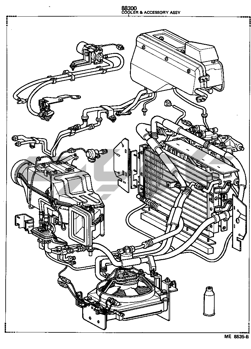
تهویه مطبوع گرمایش مجموعه DLX FXV GXL SUP
تهویه مطبوع گرمایش مجموعه
تهویه مطبوع گرمایش بخاری واحد فن
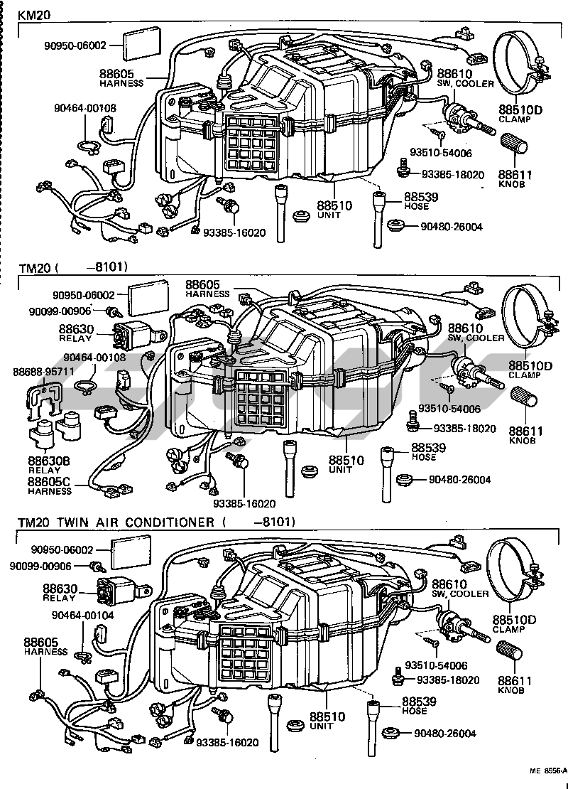
تهویه مطبوع گرمایش خنککننده واحد DLX GXL SUP XL DLX
تهویه مطبوع گرمایش خنککننده واحد DLX FXV GXL SUP
تهویه مطبوع گرمایش خنککننده واحد DLX GXL
تهویه مطبوع گرمایش کنترل هوا کانال
تهویه مطبوع گرمایش آب لوله
تهویه مطبوع گرمایش وکیوم لوله DLX GXL XL DLX SUP
تهویه مطبوع گرمایش خنککننده لوله DLX FXV GXL
تهویه مطبوع گرمایش خنککننده لوله DLX GXL
تهویه مطبوع گرمایش کمپرسور DLX FXV GXL SUP