سبد خرید خالی است
چراغ جلو DLX STD SW SUP
چراغ راهنمای جلو
چراغ ترکیبی عقب
چراغ پلاک عقب TR
چراغ داخلی
باتری کابل
گیره سیمکشی
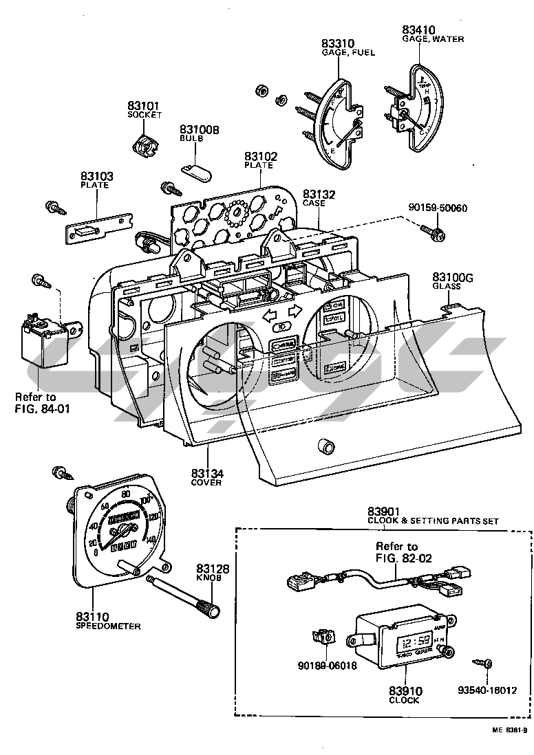
نمایشگر
INDICATOR
کامپیوتر رله کلید KM2
کامپیوتر رله کلید
برفپاککن شیشه جلو
شوینده شیشه جلو
قدرت CURTAIN
بلندگو
آنتن
بوق
آینه
تهویه مطبوع گرمایش مجموعه
تهویه مطبوع گرمایش بخاری واحد فن
تهویه مطبوع گرمایش کنترل هوا کانال
تهویه مطبوع گرمایش آب لوله
تهویه مطبوع گرمایش وکیوم لوله DLX GXL XL DLX SUP