سبد خرید خالی است
نگهدارنده اهرم تعویض
واشر ترنس اکسل یا گیربکس مجموعه کیت (ATM)
مبدل گشتاور , جلو روغن پمپ زنجیر (ATM)
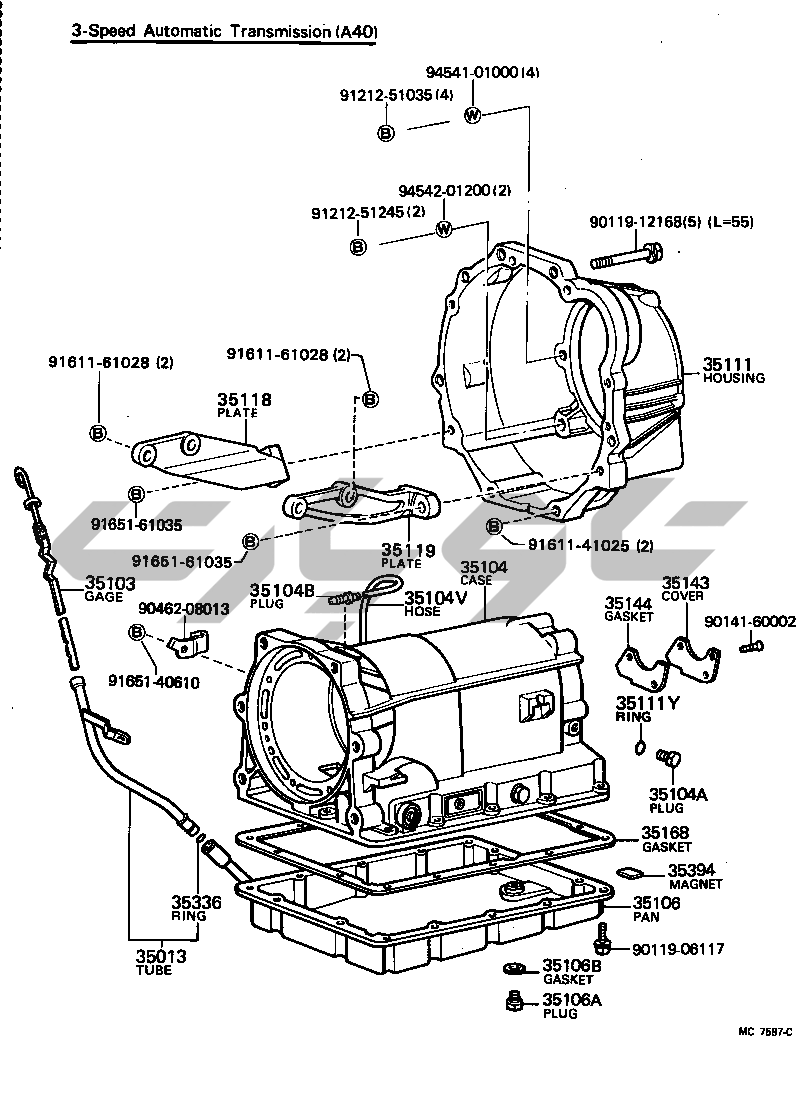
CASE گیربکس روغن کف (ATM)
محفظه EXTENSION (ATM)
SPEEDOMETER DRIVEN دنده (ATM)
دیسک ترمز BAND MULTIPLE کلاچ (ATM)
SUPPORT مرکز PLANETARY SUN دنده (ATM)
ترمز NO.3, REVERSE (ATM)
پیستون PLANETARY GEAR, REVERSE COUNTER دنده (ATM)
پمپ روغن عقب GOVERNOR (ATM)
سوپاپ بدنه روغن STRAINER (ATM)
اتصال دریچه گاز سوپاپ اهرم (ATM)
لوله روغن خنککننده (ATM)
JOINT پروانه شافت UNIVERSAL
محفظه اکسل عقب دیفرانسیل
هاب محور اکسل عقب
دیسک چرخ کلاهک
هاب اکسل جلو
شافت ستون فرمان
فرمان FXV
اتصال دنده فرمان جلو
کابل ترمز دستی
براکت پدال ترمز
سیلندر اصلی ترمز
بوستر ترمز وکیوم لوله
کاور گرد و غبار کالیپر ترمز دیسکی جلو
صفحه پشتیبان سیلندر چرخ ترمز کاسهای عقب
گیره لوله ترمز
کیت ترمز MAINTENANCE
مفصل فرمان بازوی اکسل جلو
کمک فنر فنر جلو
کمک فنر فنر عقب WG
کمک فنر فنر عقب WG HRF