سبد خرید خالی است
چراغ جلو DLX STD SW SUP
چراغ راهنمای جلو
چراغ ترکیبی عقب
چراغ پلاک عقب TR
چراغ داخلی
باتری کابل
گیره سیمکشی
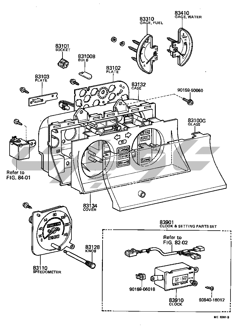
نمایشگر
INDICATOR
کامپیوتر رله کلید KM2
کامپیوتر رله کلید
کامپیوتر رله کلید HRF 4F GXL HRF FXV GXL
برفپاککن شیشه جلو
برفپاککن عقب WG CS7 DLX FXV GXL MTP SUP SW
شوینده شیشه جلو
شوینده عقب WG CS7 DLX FXV GXL MTP SUP SW
درب موتور SOLENOID
قدرت CURTAIN
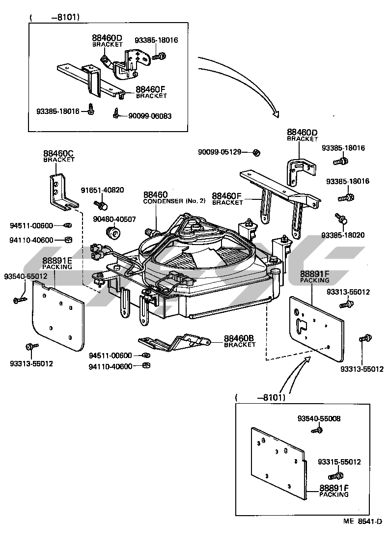
کندانسور تقویتکننده گیرنده رادیو DLX FXV GXL SUP
کندانسور تقویتکننده گیرنده رادیو FXV
کندانسور تقویتکننده گیرنده رادیو DLX FXV GXL
بلندگو
بلندگو DLX FXV GXL
آنتن
بوق
آینه
تهویه مطبوع گرمایش مجموعه DLX FXV GXL SUP
تهویه مطبوع گرمایش بخاری واحد فن
تهویه مطبوع گرمایش خنککننده واحد DLX FXV GXL
تهویه مطبوع گرمایش خنککننده واحد DLX FXV GXL SUP
تهویه مطبوع گرمایش کنترل هوا کانال
تهویه مطبوع گرمایش کنترل هوا کانال DLX FXV GXL XL V4D
تهویه مطبوع گرمایش کنترل هوا کانال FXV GXL
تهویه مطبوع گرمایش کنترل هوا کانال DLX FXV GXL
تهویه مطبوع گرمایش آب لوله
تهویه مطبوع گرمایش وکیوم لوله DLX GXL XL DLX SUP
تهویه مطبوع گرمایش خنککننده لوله DLX FXV GXL
تهویه مطبوع گرمایش کمپرسور DLX FXV GXL SUP