سبد خرید خالی است
چراغ جلو CM2 DLX
چراغ راهنمای جلو
چراغ ترکیبی عقب
چراغ پلاک عقب TR
چراغ داخلی
باتری کابل
گیره سیمکشی
نمایشگر DLX STD
نمایشگر
INDICATOR
کامپیوتر رله کلید KM2
کامپیوتر رله کلید
برفپاککن شیشه جلو
شوینده شیشه جلو
قدرت CURTAIN
آنتن
بوق
آینه
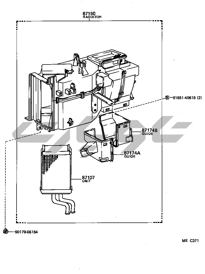
تهویه مطبوع گرمایش بخاری واحد فن
تهویه مطبوع گرمایش خنککننده واحد
تهویه مطبوع گرمایش کنترل هوا کانال
تهویه مطبوع گرمایش آب لوله
تهویه مطبوع گرمایش وکیوم لوله
تهویه مطبوع گرمایش خنککننده لوله
تهویه مطبوع گرمایش کمپرسور