تویوتا Parts Catalog
برندنامکد
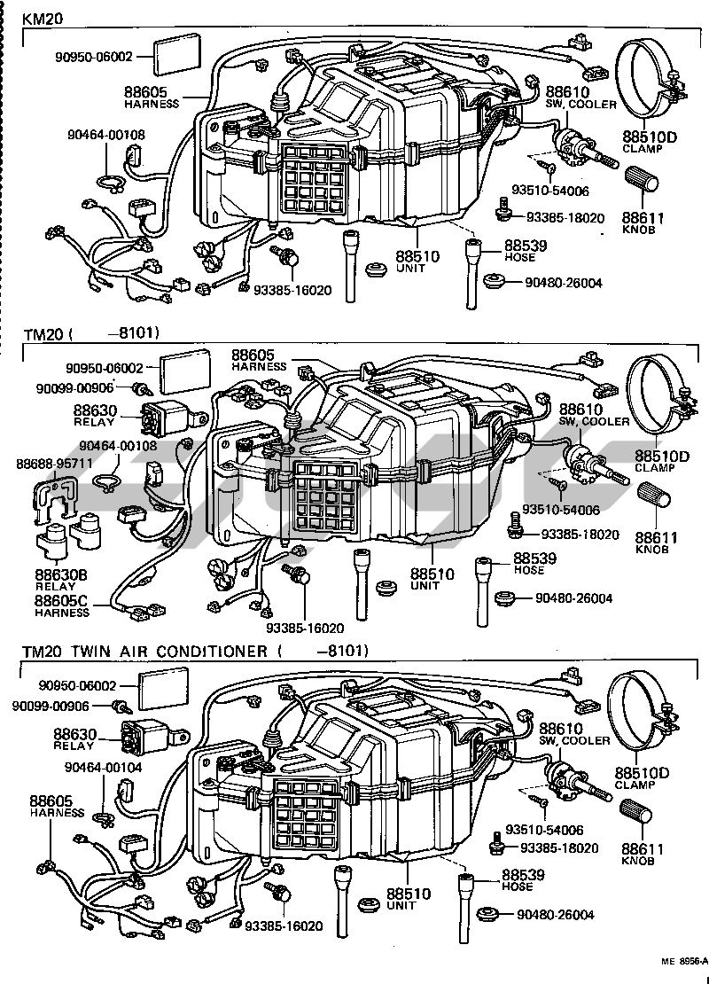
تویوتاتویوتاlite-townace-truck-km20v-jnzwTOYOTA

دسته بندی

الکتریکی

تعداد کاتالوگ ها: 46