تویوتا Parts Catalog
برندنامکد
تویوتاتویوتاlite-townace-truck-km20v-jnzbetwTOYOTA

دسته بندی

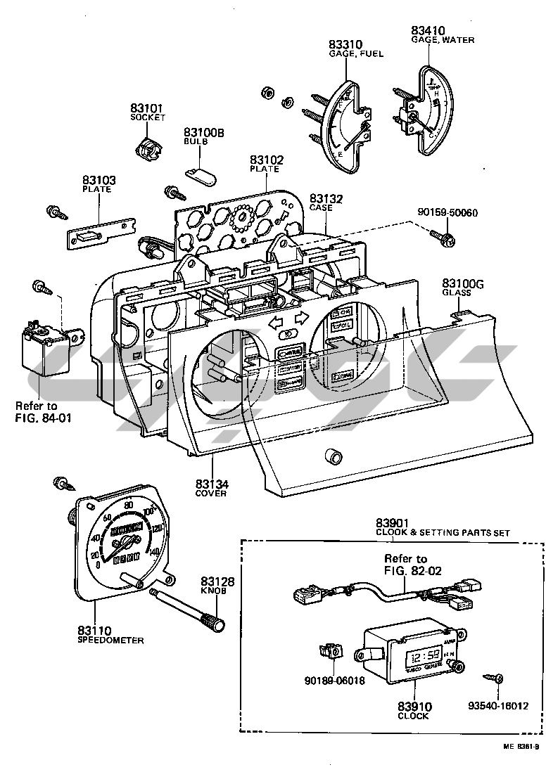
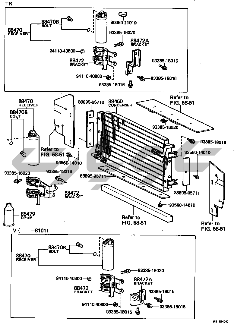
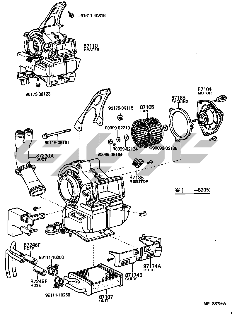
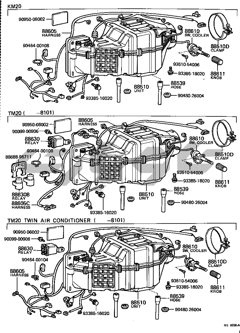
الکتریکی

تعداد کاتالوگ ها: 44