سبد خرید خالی است
چراغ جلو CM2 DLX
چراغ راهنمای جلو
چراغ ترکیبی عقب
چراغ پلاک عقب TR
چراغ داخلی
باتری کابل
گیره سیمکشی
نمایشگر
INDICATOR
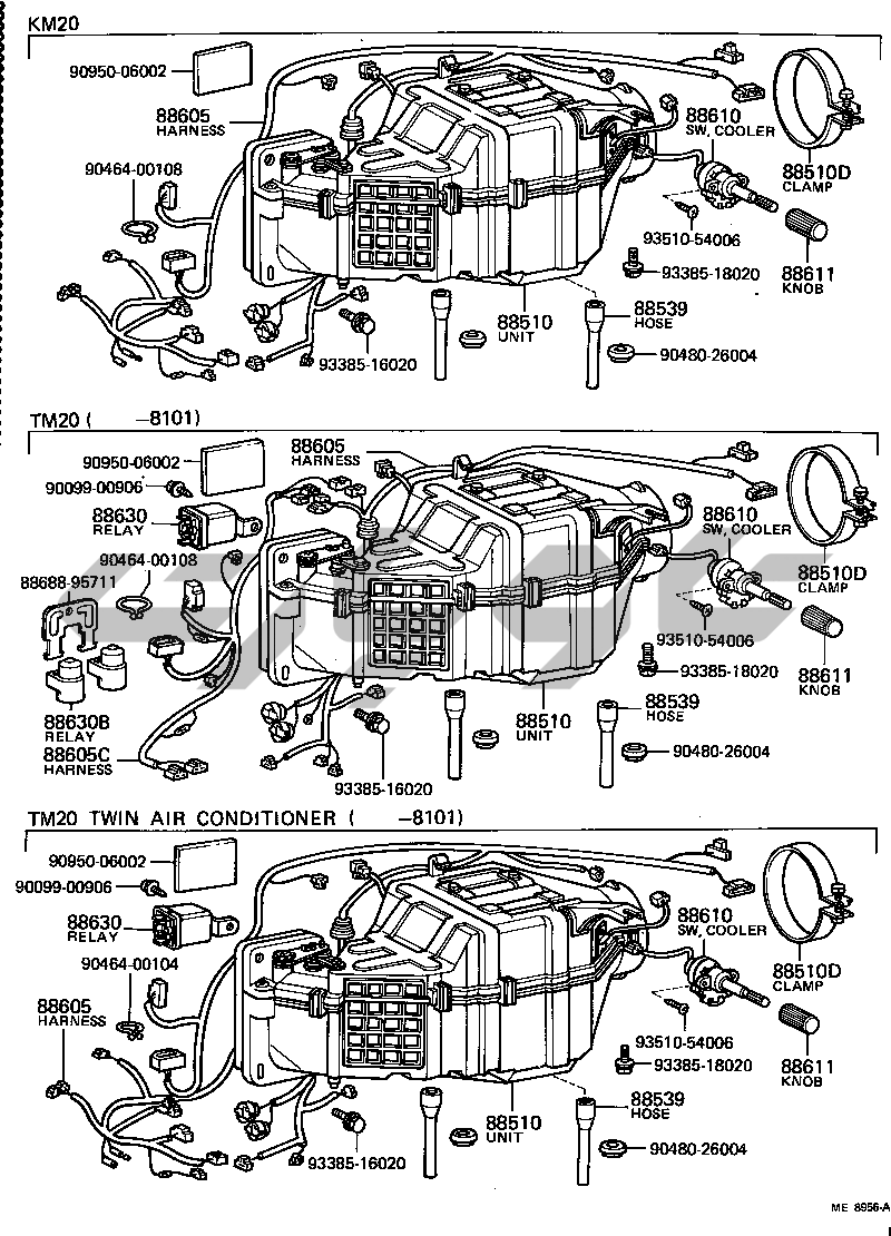
کامپیوتر رله کلید KM2
کامپیوتر رله کلید
برفپاککن شیشه جلو
برفپاککن عقب WG CS7 DLX FXV GXL MTP SUP SW
شوینده شیشه جلو
شوینده عقب WG CS7 DLX FXV GXL MTP SUP SW
قدرت CURTAIN
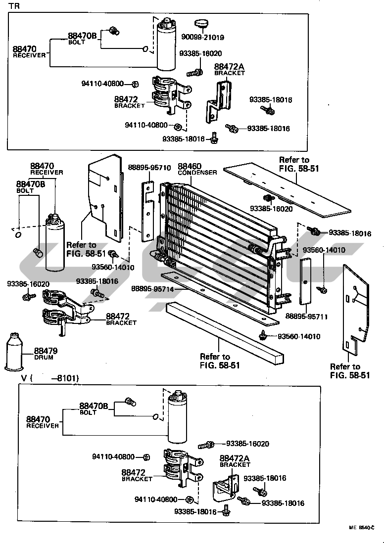
کندانسور تقویتکننده گیرنده رادیو DLX FXV GXL SUP
بلندگو
آنتن
بوق
آینه
تهویه مطبوع گرمایش مجموعه DLX FXV GXL SUP
تهویه مطبوع گرمایش بخاری واحد فن
تهویه مطبوع گرمایش خنککننده واحد DLX GXL SUP XL DLX
تهویه مطبوع گرمایش خنککننده واحد DLX FXV GXL SUP
تهویه مطبوع گرمایش کنترل هوا کانال
تهویه مطبوع گرمایش آب لوله
تهویه مطبوع گرمایش وکیوم لوله DLX GXL XL DLX SUP
تهویه مطبوع گرمایش خنککننده لوله DLX
تهویه مطبوع گرمایش کمپرسور DLX FXV GXL SUP