سبد خرید خالی است
ابزار استاندارد
مجموعه جزئی موتور
بلوک کوتاه مجموعه
تعمیر اساسی موتور واشر کیت 1NZFE
سر سیلندر 1NZFE
بلوک سیلندر 1NZFE
نصب 1NZFE 2NZFE
شیلنگ تهویه 1NZFE
میل لنگ پیستون 1NZFE
میل بادامک سوپاپ 1NZFE
پمپ روغن موتور
فیلتر روغن 1NZFE
پمپ آب 1NZFE
خروجی آب رادیاتور 1NZFE 2NZFE
خروجی آب رادیاتور
V-BELT
منیفولد (لوله ورودی/خروجی موتور)
لوله اگزوز 1NZFE
فیلتر هوا 1NZFE 2NZFE IDN MA PH
لوله وکیوم 1NZFE 2NZFE
کویل جرقه، شمع، شمع گرمکن
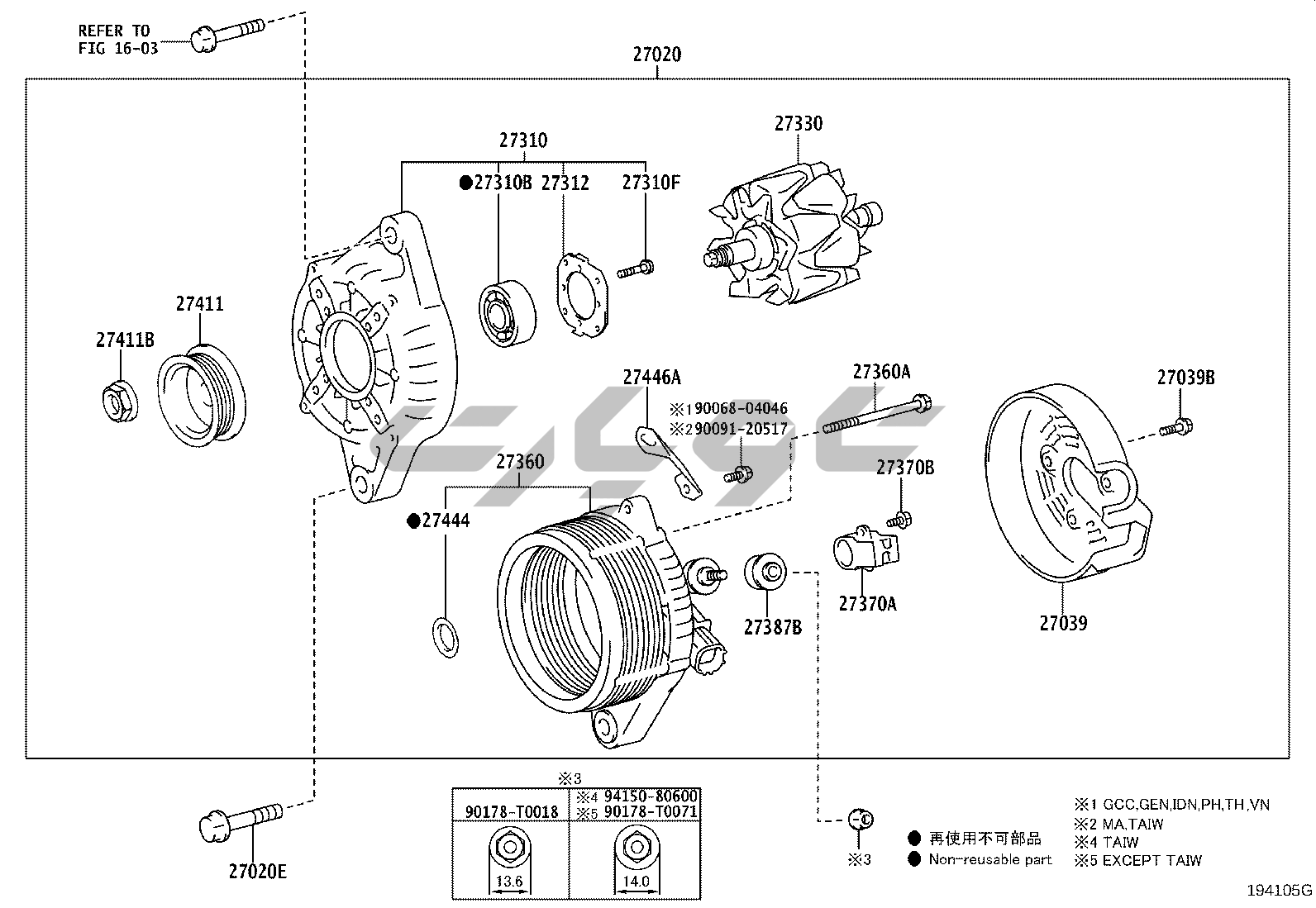
دینام 12 ولت 80A 1NZFE 2NZFE
استارت 12 ولت 1NZFE 2NZFE IDN MA PH
سیستم تزریق سوخت 1NZFE