تویوتا Parts Catalog
برندنامکد
تویوتاتویوتاyaris-vios-limo-ncp150r-bepvktTOYOTA

دسته بندی

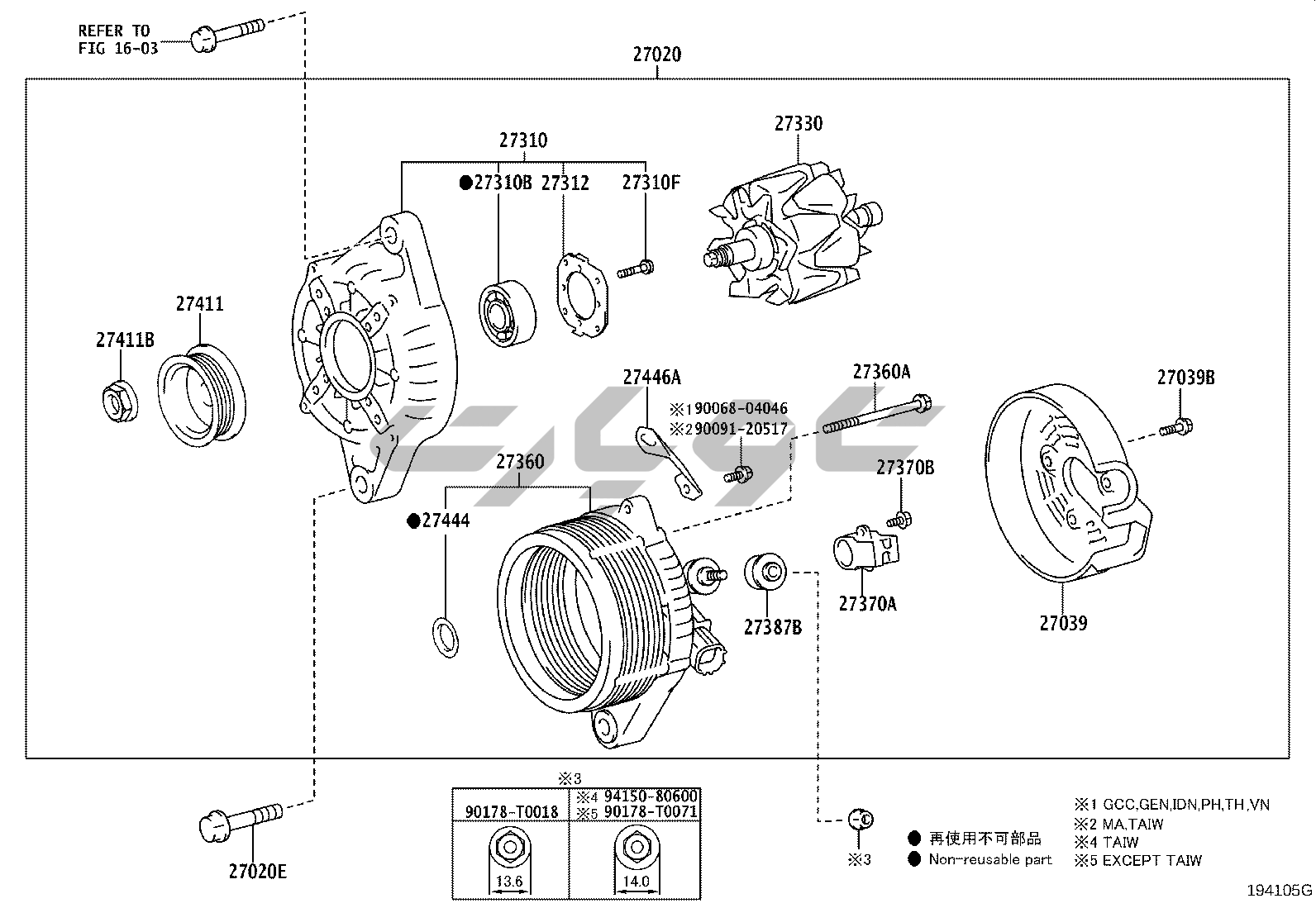
موتور/سوخت/ابزار

تعداد کاتالوگ ها: 26