سبد خرید خالی است
نگهدارنده اهرم تعویض
واشر ترنس اکسل یا گیربکس مجموعه کیت A340E A343E (ATM)
مبدل گشتاور , جلو روغن پمپ زنجیر (ATM) A340E
CASE گیربکس روغن کف A340E (ATM)
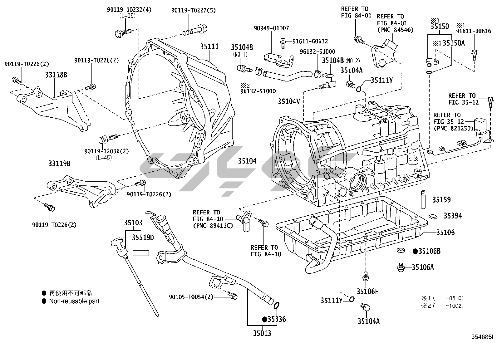
محفظه EXTENSION A340E A343E (ATM)
SPEEDOMETER DRIVEN دنده A340E A343E (ATM)
دنده OVERDRIVE A340E A343E (ATM)
دیسک ترمز BAND MULTIPLE کلاچ A340E A343E (ATM)
SUPPORT مرکز PLANETARY SUN دنده A340E A343E (ATM)
ترمز NO.3, REVERSE A340E A343E (ATM)
پیستون PLANETARY GEAR, REVERSE COUNTER دنده A340E A343E (ATM)
سوپاپ بدنه روغن STRAINER A340E A343E (ATM)
اتصال دریچه گاز سوپاپ اهرم A340E A343E (ATM)
لوله روغن خنککننده A340E (ATM)
JOINT پروانه شافت UNIVERSAL
محفظه اکسل عقب دیفرانسیل IDN MA TAIW
محفظه اکسل عقب دیفرانسیل
هاب محور اکسل عقب IDN
دیسک چرخ کلاهک
دیسک چرخ کلاهک WG IDN IND TAIW 5F GL
هاب اکسل جلو
شافت ستون فرمان IDN MA
پمپ VANE مخزن DLX GL IND IDN STD (POWER_STEERING)
فرمان قدرت لوله DLX GL IND IDN STD
فرمان SPOKE GL IDN GL
اتصال دنده فرمان جلو IDN MA
اتصال دنده فرمان جلو IDN MA TAIW VN DLX GL IND STD
کابل ترمز دستی
براکت پدال ترمز
سیلندر اصلی ترمز IDN MA
بوستر ترمز وکیوم لوله IDN
کاور گرد و غبار کالیپر ترمز دیسکی جلو IDN TAIW
صفحه پشتیبان سیلندر چرخ ترمز کاسهای عقب IND IDN
گیره لوله ترمز ای بی اس DLX GL MA DLX
گیره لوله ترمز ای بی اس فرمان راست GL DLX STD DCR IDN DLX HDCR HTWC IDN DLX
مفصل فرمان بازوی اکسل جلو
کمک فنر فنر جلو
کمک فنر فنر عقب