سبد خرید خالی است
نگهدارنده اهرم تعویض
واشر ترنس اکسل یا گیربکس مجموعه کیت A340E A343E (ATM)
مبدل گشتاور , جلو روغن پمپ زنجیر (ATM) A340E
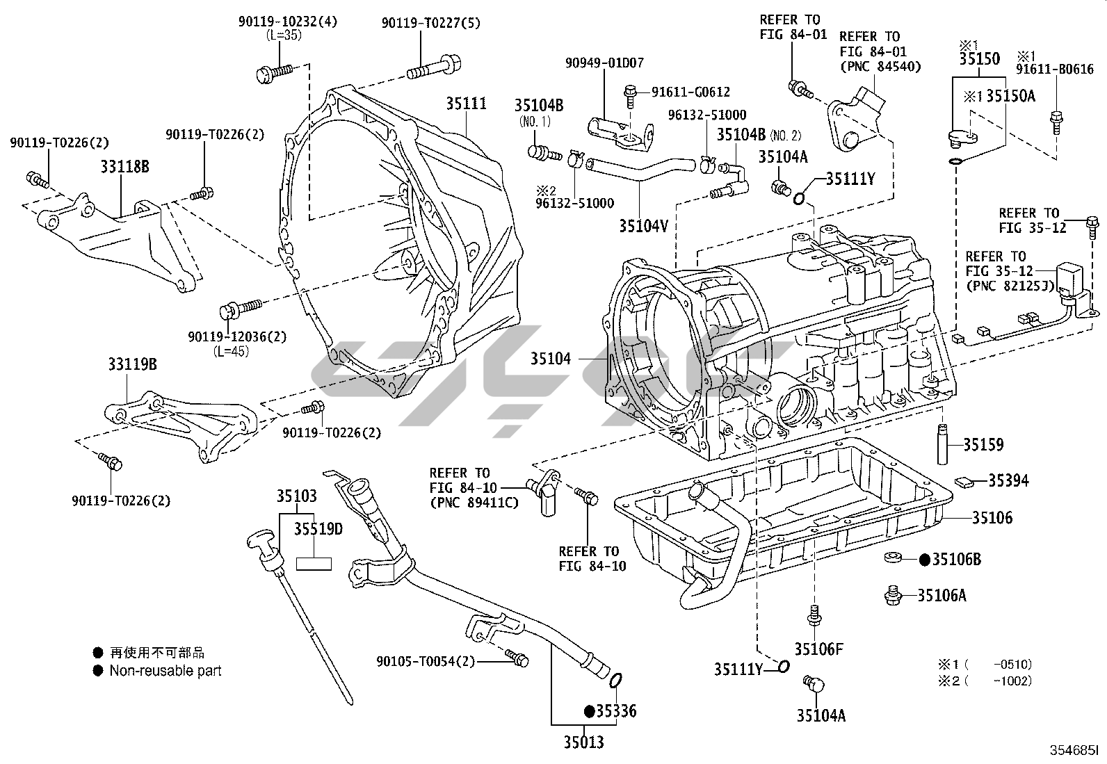
CASE گیربکس روغن کف A340E (ATM)
محفظه EXTENSION A340E A343E (ATM)
SPEEDOMETER DRIVEN دنده A340E A343E (ATM)
دنده OVERDRIVE A340E A343E (ATM)
دیسک ترمز BAND MULTIPLE کلاچ A340E A343E (ATM)
SUPPORT مرکز PLANETARY SUN دنده A340E A343E (ATM)
ترمز NO.3, REVERSE A340E A343E (ATM)
پیستون PLANETARY GEAR, REVERSE COUNTER دنده A340E A343E (ATM)
سوپاپ بدنه روغن STRAINER A340E A343E (ATM)
اتصال دریچه گاز سوپاپ اهرم A340E A343E (ATM)
لوله روغن خنککننده A340E (ATM)
JOINT پروانه شافت UNIVERSAL
محفظه اکسل عقب دیفرانسیل IDN MA TAIW
محفظه اکسل عقب دیفرانسیل
هاب محور اکسل عقب IDN
دیسک چرخ کلاهک
دیسک چرخ کلاهک MA STD VN
هاب اکسل جلو
شافت ستون فرمان IDN MA
پمپ VANE مخزن DLX GL IND IDN STD (POWER_STEERING)
فرمان قدرت لوله
فرمان SPOKE GL IDN GL
فرمان SPOKE GL MA DLX GL IND VN 5F GL STD MA فرمان چپ GL
اتصال دنده فرمان جلو
اتصال دنده فرمان جلو IDN MA TAIW VN DLX GL IND STD
کابل ترمز دستی
براکت پدال ترمز
سیلندر اصلی ترمز IDN MA
بوستر ترمز وکیوم لوله
کاور گرد و غبار کالیپر ترمز دیسکی جلو MA
صفحه پشتیبان سیلندر چرخ ترمز کاسهای عقب IND IDN
گیره لوله ترمز فرمان چپ STD فرمان چپ DLX TAIW GL
گیره لوله ترمز ای بی اس GL VN DLX فرمان چپ GL DLX
گیره لوله ترمز ای بی اس GL VN DLX فرمان چپ GL DLX GL
مفصل فرمان بازوی اکسل جلو
کمک فنر فنر جلو
کمک فنر فنر عقب