سبد خرید خالی است
ابزار استاندارد
مجموعه جزئی موتور
بلوک کوتاه مجموعه
تعمیر اساسی موتور واشر کیت
سر سیلندر
بلوک سیلندر
دنده تایمینگ درپوش عقب END صفحه
نصب
شیلنگ تهویه
میل لنگ پیستون
میل بادامک سوپاپ
پمپ روغن موتور
فیلتر روغن
موتور روغن خنککننده
پمپ آب
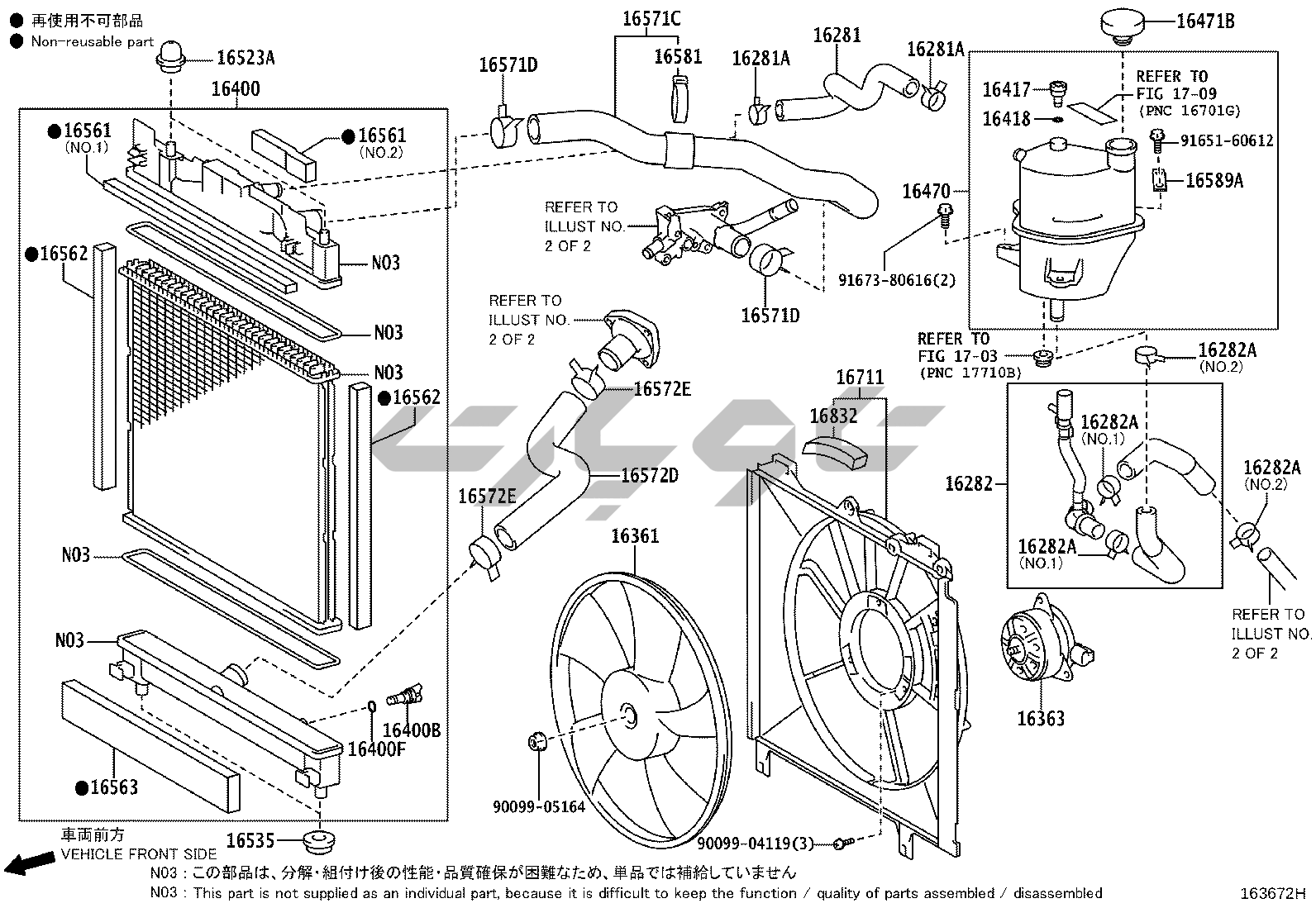
خروجی آب رادیاتور
V-BELT
منیفولد (لوله ورودی/خروجی موتور)
لوله اگزوز 1NDTV
فیلتر هوا
لوله وکیوم
کویل جرقه، شمع، شمع گرمکن
دینام 12 ولت 100A
استارت 12 ولت
پمپ وکیوم
تزریق NOZZLE
پمپ تزریق مجموعه
فیلتر سوخت
سیستم گردش مجدد گاز اگزوز
VENTURI