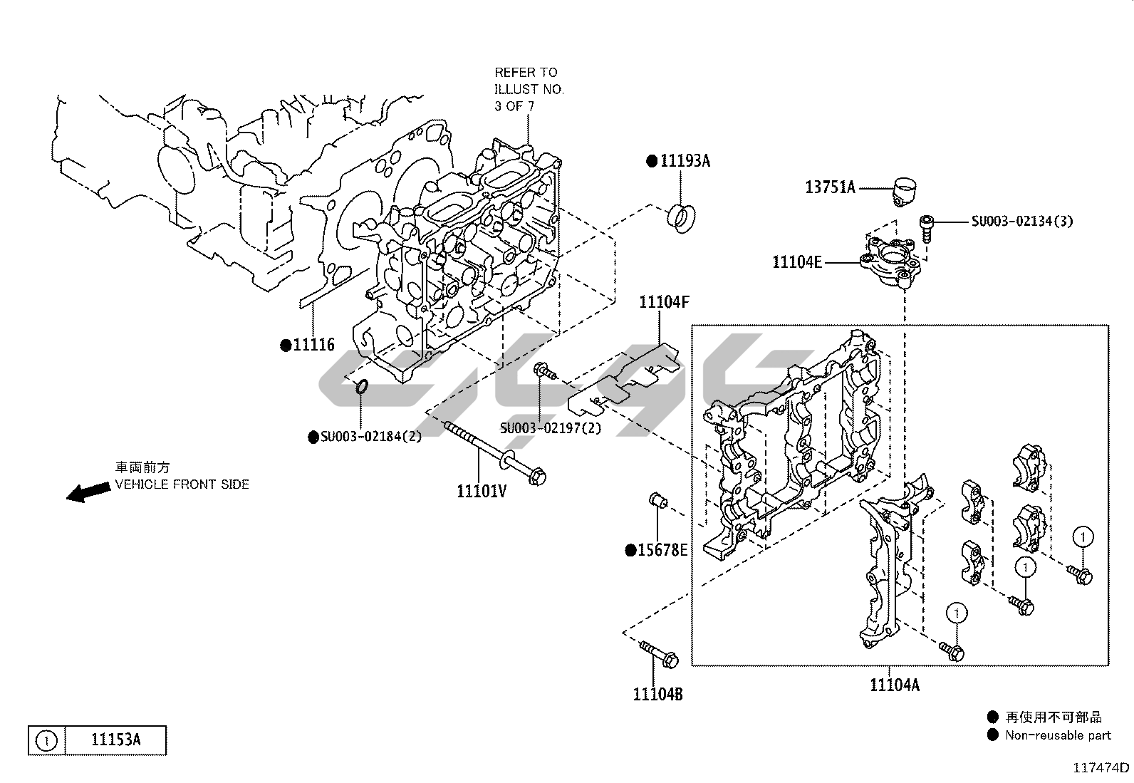
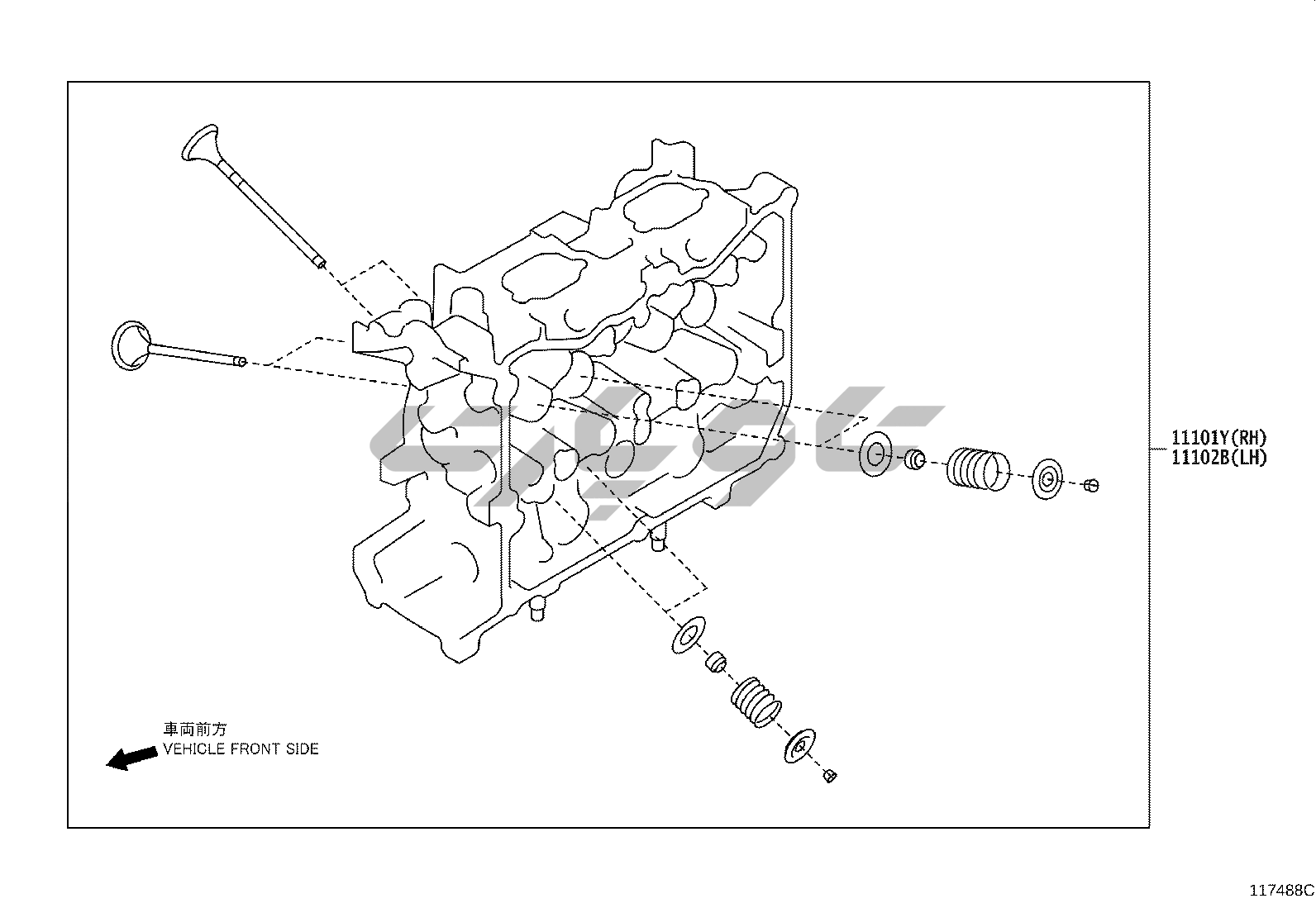
تویوتا Parts Catalog
برندنامکد
تویوتاتویوتاgt86-86-zn6ak-a8TOYOTA

دسته بندی

موتور/سوخت/ابزار

تعداد کاتالوگ ها: 51