سبد خرید خالی است
ابزار استاندارد
ابزار استاندارد درپوش
مجموعه جزئی موتور
بلوک کوتاه مجموعه
تعمیر اساسی موتور واشر کیت
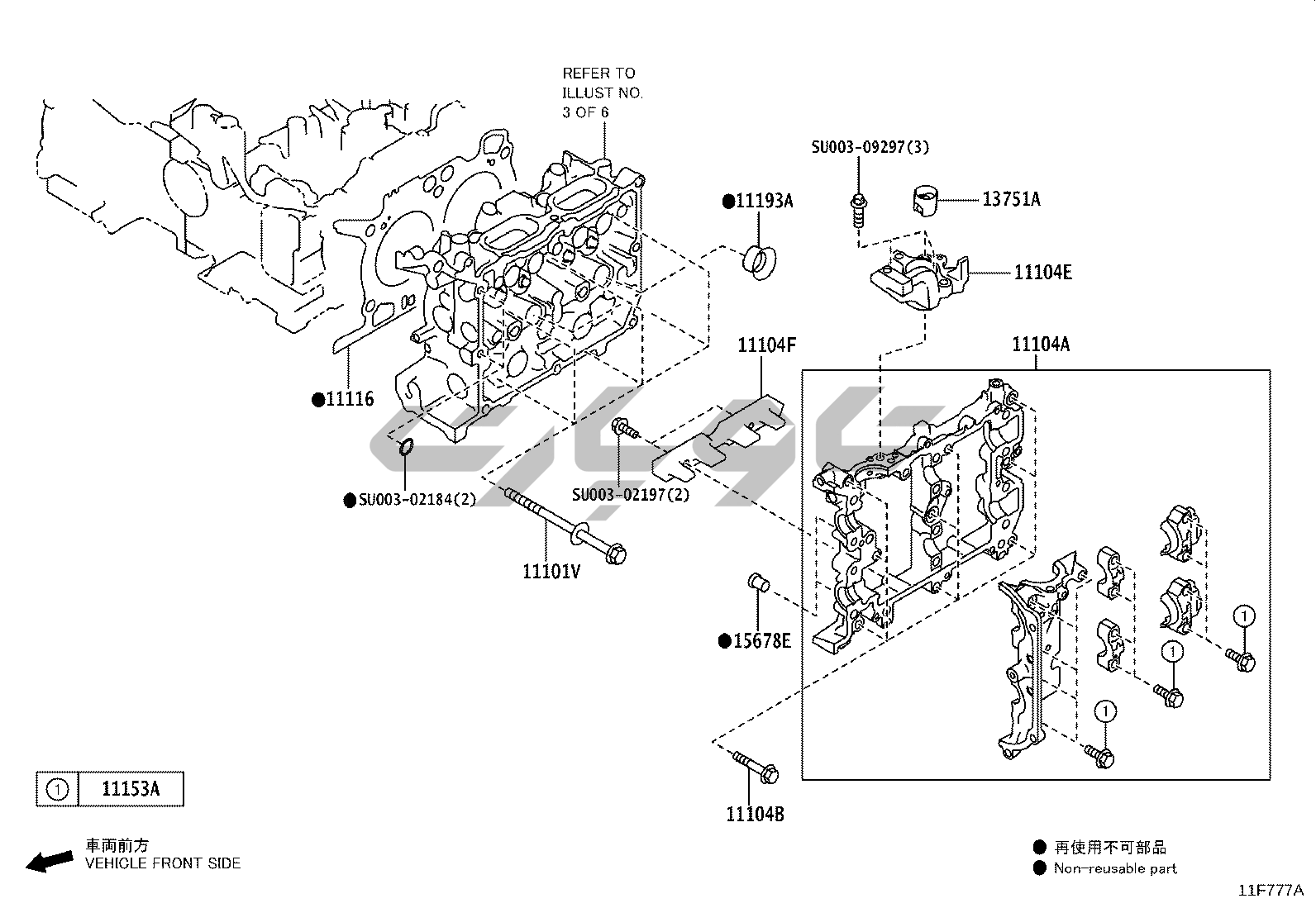
سر سیلندر
بلوک سیلندر
دنده تایمینگ درپوش عقب END صفحه
نصب
شیلنگ تهویه
میل لنگ پیستون
میل بادامک سوپاپ
پمپ روغن موتور
فیلتر روغن
موتور روغن خنککننده
پمپ آب
خروجی آب رادیاتور
V-BELT
منیفولد (لوله ورودی/خروجی موتور)
لوله اگزوز
فیلتر هوا
لوله وکیوم
کویل جرقه، شمع، شمع گرمکن
دینام 12 ولت 150A
استارت 12 ولت
پمپ وکیوم
سیستم تزریق سوخت