سبد خرید خالی است
نگهدارنده اهرم تعویض
واشر ترنس اکسل یا گیربکس مجموعه کیت A750E (ATM)
مبدل گشتاور , جلو روغن پمپ زنجیر (ATM) A750E A750F
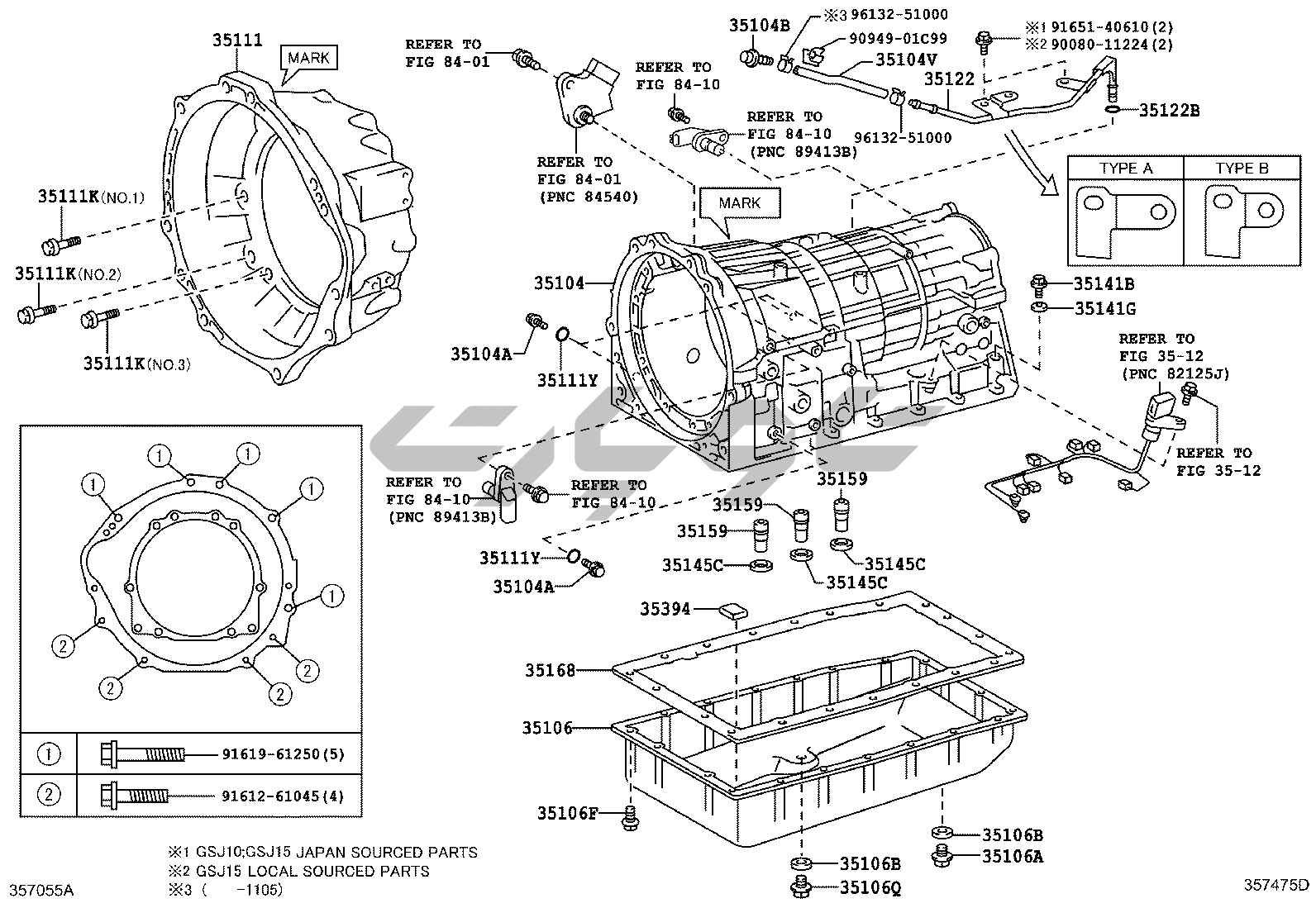
CASE گیربکس روغن کف A750E A750F (ATM)
محفظه EXTENSION A750E (ATM)
دیسک ترمز BAND MULTIPLE کلاچ A750E A750F (ATM)
SUPPORT مرکز PLANETARY SUN دنده A750E A750F (ATM)
ترمز NO.3, REVERSE A750E A750F (ATM)
پیستون PLANETARY GEAR, REVERSE COUNTER دنده A750E A750F (ATM)
سوپاپ بدنه روغن STRAINER A750E A750F (ATM)
اتصال دریچه گاز سوپاپ اهرم A750E A750F (ATM)
لوله روغن خنککننده A750E A750F (ATM)
JOINT پروانه شافت UNIVERSAL
محفظه اکسل عقب دیفرانسیل
محفظه اکسل عقب دیفرانسیل عقب دیفرانسیل قفل
هاب محور اکسل عقب
دیسک چرخ کلاهک
هاب اکسل جلو
شافت ستون فرمان
پمپ VANE مخزن (POWER_STEERING)
فرمان قدرت لوله
فرمان SPOKE
اتصال دنده فرمان جلو
کابل ترمز دستی
براکت پدال ترمز
سیلندر اصلی ترمز
کاور گرد و غبار کالیپر ترمز دیسکی جلو
دیسک عقب ترمز کالیپر گرد و غبار درپوش
گیره لوله ترمز
مفصل فرمان بازوی اکسل جلو
کمک فنر فنر جلو
کمک فنر فنر عقب