سبد خرید خالی است
کاور زیر تیر عرضی تعلیق
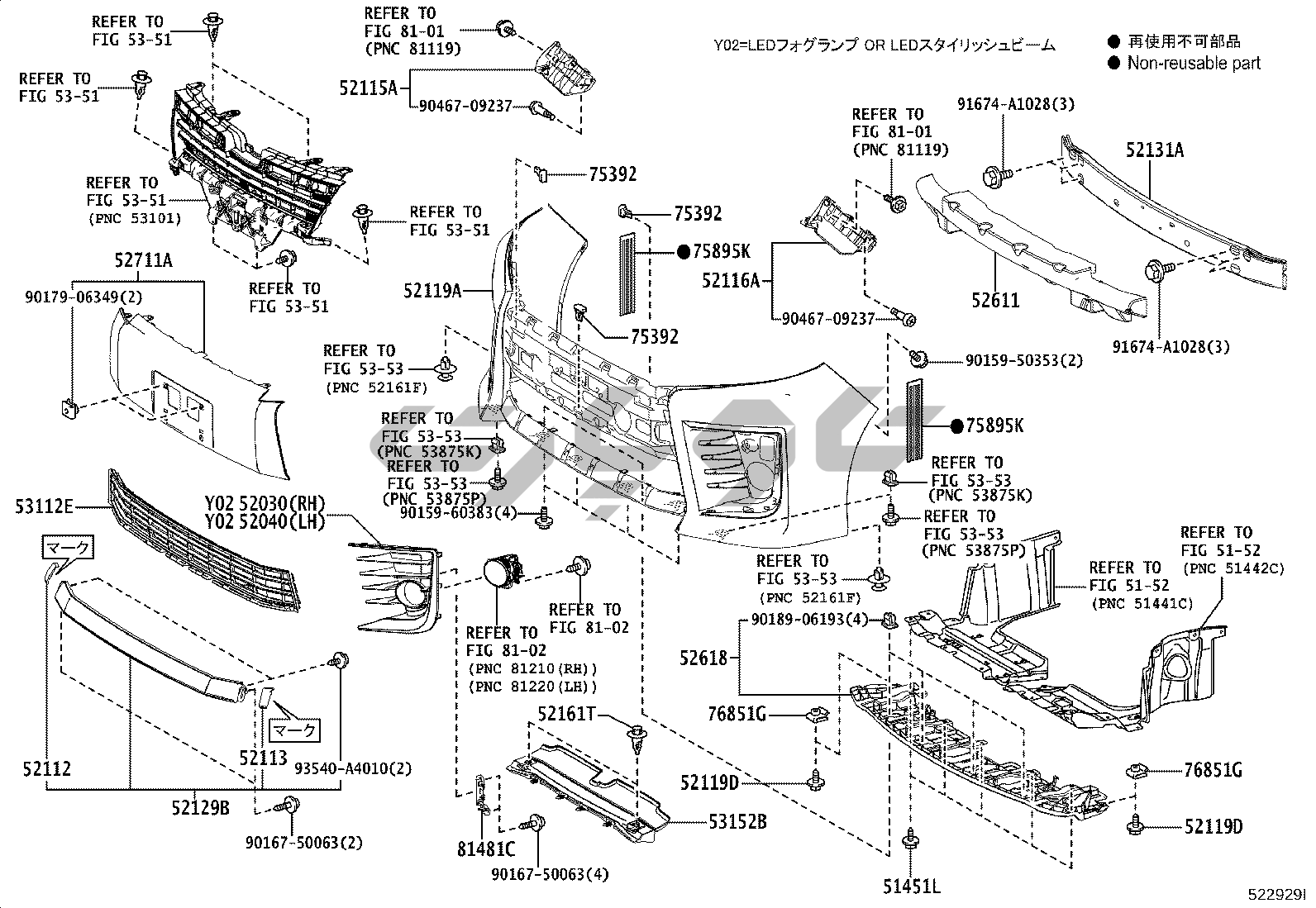
اتصال سپر جلو
اتصال سپر جلو یا GR SPORT
اتصال سپر عقب
اتصال سپر عقب یا GR SPORT ZRR8 07S SI
مشبک رادیاتور NOAH
مشبک رادیاتور یا GR SPORT NOAH
کاپوت و گلگیر جلو
لولا قفل کاپوت
پنل داش محافظ گلگیر جلو
محفظه دستکش پنل دستگاه
شیشه جلو پنل محافظ
درپوش سوراخ
کف جلو پنل جلو کف تیر
پنل عقب کف تیر
عایق کف
بالشتک کف کفپوش صدا خفه کن 07S
تیر کناری
تیر کناری چپ
تیر کناری راست
شیشه کناری NOAH
پنل سقف عقب
عقب VENTILATOR سقف
تریم داخل تخته
بالشتک صدا خفه کن پوشش سقف
شیشه پنل درب جلو
دستگیره قفل درب جلو
لولا تنظیمکننده شیشه درب جلو
شیشه پنل درب عقب
دستگیره قفل درب عقب
لولا تنظیمکننده شیشه درب عقب
ریل کشویی غلتک
قفل درب عقب لولا
مجموعه سیلندر قفل
صندلی تسمه
درپوش بالا برنده قدرت شیب عقب GATE
عقب GATE شیب قدرت بالا برنده
عقب GATE شیب قدرت بالا برنده ZRR8 GI
ریل صندلی جلو
ریل صندلی عقب
ریل صندلی عقب چپ
ریل صندلی عقب چپ درپوش 07S
ریل صندلی عقب راست
صندلی ریل 07S
صندلی ریل
آفتابگیر دسته صندلی
BAR PROTECTOR PIPE, ROLL HANDRAIL
نگهدارنده باتری
صفحه هشدار
صفحه نام نشان
نوار تزئینی SI
بدنه STRIPE یا GR SPORT 07S SI
ابزار جعبه پلاک صفحه براکت
اسپویلر کناری گلگیر یا GR SPORT 07S SI
اسپویلر کناری گلگیر SI
لوله باک سوخت
اتصال شتابدهنده