سبد خرید خالی است
چراغ جلو
چراغ راهنمای جلو
CLEARANCE جلو چراغ
چراغ راهنمای کناری و چراغ آینه بیرونی
چراغ ترکیبی عقب
چراغ پلاک عقب
چراغ توقف مرکزی
چراغ داخلی
باتری کابل
گیره سیمکشی کابل BOND
گیره سیمکشی PROTECTOR
گیره سیمکشی CONNECTOR
گیره سیمکشی محافظ دستگاه سیم
گیره سیمکشی درب سقف سیم
گیره سیمکشی موتور محفظه سیم
گیره سیمکشی موتور سیم FS TS
گیره سیمکشی کف صندوق سیم
نمایشگر
INDICATOR
کامپیوتر رله کلید ترکیبی کلید
کامپیوتر رله کلید محافظ
کامپیوتر رله کلید موتور گیربکس FS TS
کامپیوتر رله کلید موتور محفظه
کامپیوتر رله کلید دستگاه پنل درب SW
کامپیوتر رله کلید سقف درب صندلی کف LUG
سیستم تزریق سوخت الکترونیکی FS TS
OVERDRIVE الکترونیکی CONTROLLED گیربکس
ای بی اس وی اس سی
کیسه هوا
برفپاککن شیشه جلو
برفپاککن عقب
شوینده شیشه جلو
شوینده عقب
کندانسور تقویتکننده گیرنده رادیو
بلندگو
آنتن
بوق
آینه
تهویه مطبوع گرمایش بخاری واحد فن
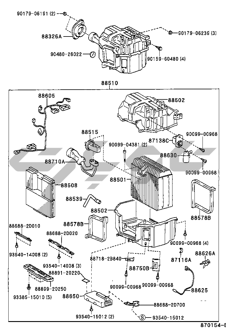
تهویه مطبوع گرمایش خنککننده واحد
تهویه مطبوع گرمایش خنککننده واحد MTM ZS ATM
تهویه مطبوع گرمایش خنککننده واحد MTM XS MTM ZS
تهویه مطبوع گرمایش کنترل هوا کانال
تهویه مطبوع گرمایش آب لوله
تهویه مطبوع گرمایش وکیوم لوله FS TS
تهویه مطبوع گرمایش خنککننده لوله
تهویه مطبوع گرمایش کمپرسور FS TS
تهویه مطبوع گرمایش کمپرسور
ژنراتور یون یا تصفیهکننده هوا