تویوتا Parts Catalog
برندنامکد
تویوتاتویوتاcorsa-tercel-el30-lghfsTOYOTA

دسته بندی

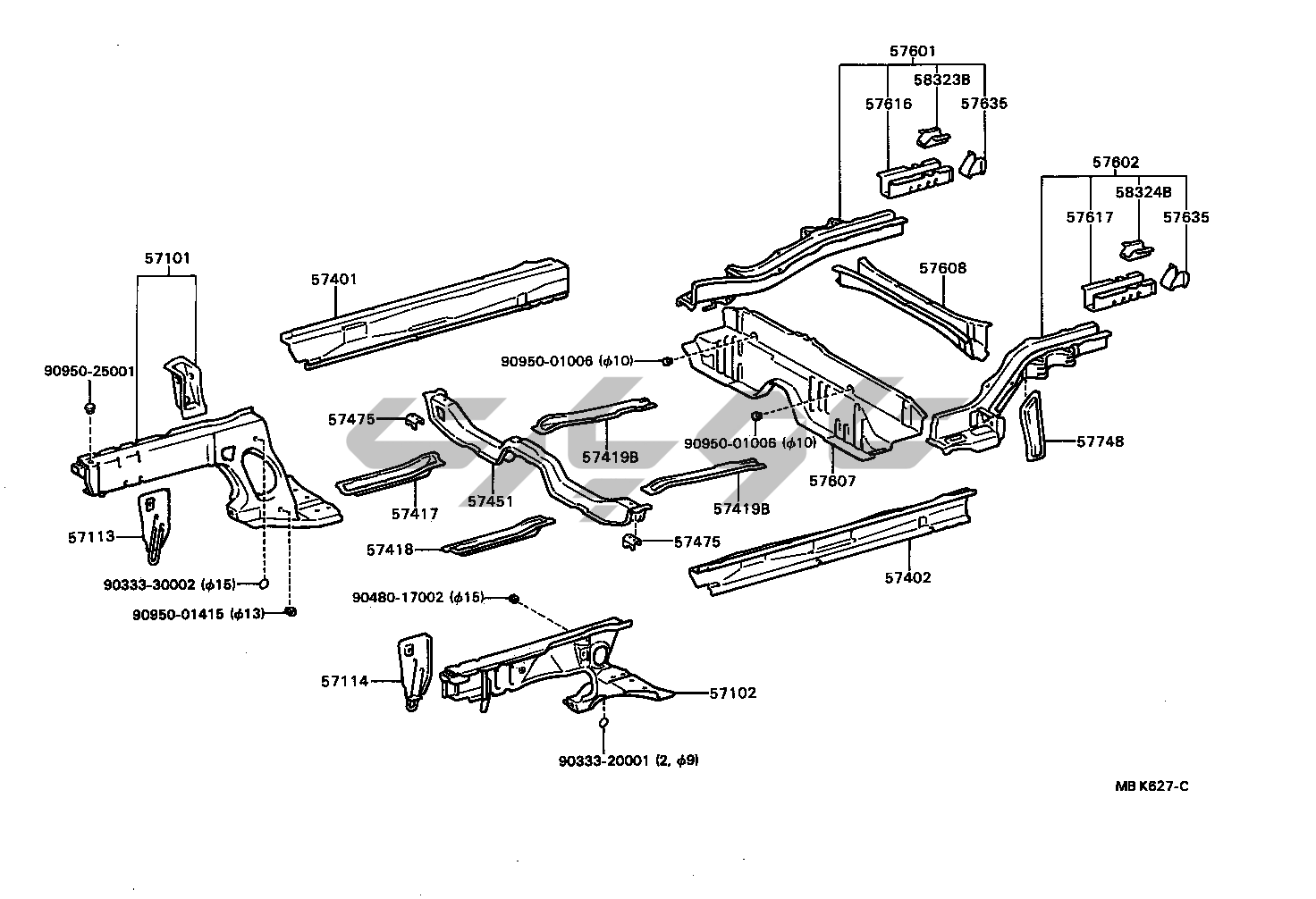
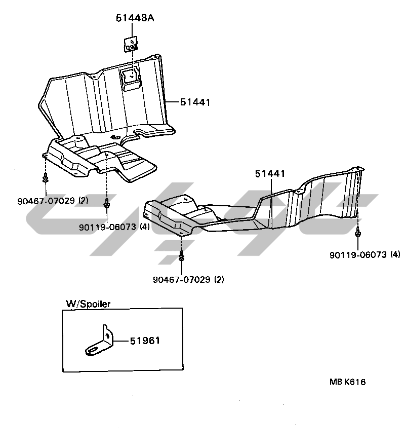
بدنه/داخلی

تعداد کاتالوگ ها: 52