سبد خرید خالی است
چراغ جلو
چراغ مه شکن
چراغ راهنمای جلو
CLEARANCE جلو چراغ
چراغ راهنمای کناری و چراغ آینه بیرونی
چراغ ترکیبی عقب TER
چراغ پلاک عقب
چراغ داخلی
باتری کابل
گیره سیمکشی
نمایشگر DX GX VC
نمایشگر
INDICATOR
کامپیوتر رله کلید
الکترونیکی MODULATED تعلیق
برفپاککن شیشه جلو
شوینده شیشه جلو
کندانسور تقویتکننده گیرنده رادیو
بلندگو
آنتن
بوق
آینه
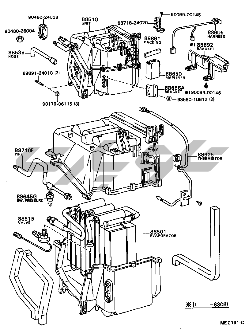
تهویه مطبوع گرمایش مجموعه
تهویه مطبوع گرمایش بخاری واحد فن
تهویه مطبوع گرمایش خنککننده واحد
تهویه مطبوع گرمایش کنترل هوا کانال
تهویه مطبوع گرمایش آب لوله
تهویه مطبوع گرمایش وکیوم لوله
تهویه مطبوع گرمایش خنککننده لوله
تهویه مطبوع گرمایش کمپرسور