سبد خرید خالی است
نگهدارنده اهرم تعویض
واشر ترنس اکسل یا گیربکس مجموعه کیت (ATM)
مبدل گشتاور , جلو روغن پمپ زنجیر (ATM)
CASE گیربکس روغن کف (ATM)
محفظه EXTENSION (ATM)
SPEEDOMETER DRIVEN دنده (ATM)
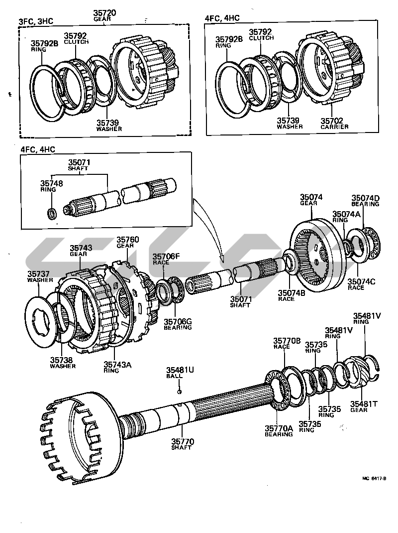
دنده OVERDRIVE GX6 (ATM)
دیسک ترمز BAND MULTIPLE کلاچ CBR DSL (ATM)
SUPPORT مرکز PLANETARY SUN دنده GX6 (ATM)
ترمز NO.3, REVERSE (ATM)
پیستون PLANETARY GEAR, REVERSE COUNTER دنده (ATM)
پمپ روغن عقب GOVERNOR ATM CBR DSL EFI TBO (ATM)
سوپاپ بدنه روغن STRAINER GX6 (ATM)
اتصال دریچه گاز سوپاپ اهرم (ATM)
لوله روغن خنککننده (ATM)
JOINT پروانه شافت UNIVERSAL GX6 RX6 CBR DSL EFI LPG TBO TDE
محفظه اکسل عقب دیفرانسیل
هاب محور اکسل عقب
دیسک چرخ کلاهک
هاب اکسل جلو
شافت ستون فرمان
شافت ستون فرمان AVT SGT SXL XG XL LX6 STD XG
پمپ VANE مخزن STD XG (POWER_STEERING)
فرمان قدرت لوله STD XG
فرمان SED TWC HT AVT SGT SXL
اتصال دنده فرمان جلو
کابل ترمز دستی
براکت پدال ترمز
سیلندر اصلی ترمز DLX STD SXL XG
بوستر ترمز وکیوم لوله
کاور گرد و غبار کالیپر ترمز دیسکی جلو
صفحه پشتیبان سیلندر چرخ ترمز کاسهای عقب LX6
گیره لوله ترمز
کیت ترمز MAINTENANCE
مفصل فرمان بازوی اکسل جلو
کمک فنر فنر جلو
کمک فنر فنر عقب