سبد خرید خالی است
نگهدارنده اهرم تعویض
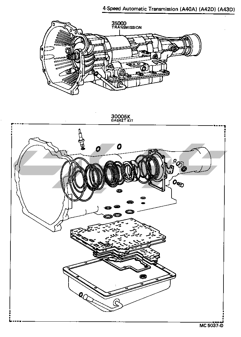
واشر ترنس اکسل یا گیربکس مجموعه کیت (ATM)
مبدل گشتاور , جلو روغن پمپ زنجیر (ATM)
CASE گیربکس روغن کف (ATM)
محفظه EXTENSION (ATM)
SPEEDOMETER DRIVEN دنده (ATM)
دنده OVERDRIVE (ATM)
دیسک ترمز BAND MULTIPLE کلاچ TBO TDE (ATM)
SUPPORT مرکز PLANETARY SUN دنده LX6 (ATM)
ترمز NO.3, REVERSE (ATM)
پیستون PLANETARY GEAR, REVERSE COUNTER دنده (ATM)
پمپ روغن عقب GOVERNOR ATM CBR DSL EFI TBO (ATM)
سوپاپ بدنه روغن STRAINER LX6 (ATM)
اتصال دریچه گاز سوپاپ اهرم (ATM)
لوله روغن خنککننده (ATM)
JOINT پروانه شافت UNIVERSAL GX6 RX6 CBR DSL EFI LPG TBO TDE
JOINT پروانه شافت UNIVERSAL
محفظه اکسل عقب دیفرانسیل 5F TWC 5F TWC
هاب محور اکسل عقب
دیسک چرخ کلاهک
هاب اکسل جلو
شافت ستون فرمان
شافت ستون فرمان AVT SGT SXL XG XL LX6 STD XG
شافت ستون فرمان LX6 DLX SGT SXL
پمپ VANE مخزن GX6 EFI (POWER_STEERING)
فرمان قدرت لوله
فرمان
فرمان SED TWC HT AVT SGT SXL
اتصال دنده فرمان جلو
کابل ترمز دستی
کابل ترمز دستی AVT
براکت پدال ترمز
سیلندر اصلی ترمز
بوستر ترمز وکیوم لوله AVT
بوستر ترمز وکیوم لوله
کاور گرد و غبار کالیپر ترمز دیسکی جلو
دیسک عقب ترمز کالیپر گرد و غبار درپوش AVT
دیسک عقب ترمز کالیپر گرد و غبار درپوش
گیره لوله ترمز
کیت ترمز MAINTENANCE
مفصل فرمان بازوی اکسل جلو
کمک فنر فنر جلو
کمک فنر فنر عقب