سبد خرید خالی است
چراغ جلو
چراغ راهنمای جلو
چراغ ترکیبی عقب
چراغ پلاک عقب
چراغ داخلی
باتری کابل
گیره سیمکشی
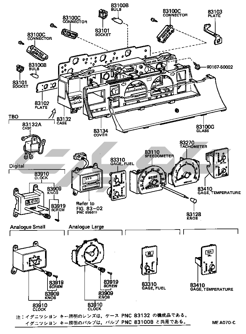
نمایشگر
INDICATOR
کامپیوتر رله کلید
OVERDRIVE الکترونیکی CONTROLLED گیربکس ATM CBR DSL EFI TBO
برفپاککن شیشه جلو
شوینده شیشه جلو
درب موتور SOLENOID SXL XG AVT SGT
کندانسور تقویتکننده گیرنده رادیو
بلندگو
آنتن
بوق
آینه
تهویه مطبوع گرمایش مجموعه
تهویه مطبوع گرمایش بخاری واحد فن GX6 DLX SGT SXL
تهویه مطبوع گرمایش بخاری واحد فن
تهویه مطبوع گرمایش خنککننده واحد GX6 RX6 DLX GT SGT STD SXL XG
تهویه مطبوع گرمایش کنترل هوا کانال DLX SGT STD SXL XG
تهویه مطبوع گرمایش کنترل هوا کانال
تهویه مطبوع گرمایش آب لوله LX6
تهویه مطبوع گرمایش وکیوم لوله
تهویه مطبوع گرمایش خنککننده لوله
تهویه مطبوع گرمایش خنککننده لوله LX6
تهویه مطبوع گرمایش کمپرسور