سبد خرید خالی است
نگهدارنده اهرم تعویض
واشر ترنس اکسل یا گیربکس مجموعه کیت A42D A42DL A43D CI HTWC (ATM)
مبدل گشتاور , جلو روغن پمپ زنجیر (ATM) A41 A42D A42DL A43D ATM CI HTWC LPG
CASE گیربکس روغن کف A42DL (ATM)
محفظه EXTENSION A41 A42D A42DL A43D ATM CI HTWC LPG (ATM)
SPEEDOMETER DRIVEN دنده A41 A42D A42DL A43D A340E A341E (ATM)
دنده OVERDRIVE A42DL A43D CI HTWC (ATM)
دیسک ترمز BAND MULTIPLE کلاچ A41 A40D A42DL ATM CI HTWC (ATM)
SUPPORT مرکز PLANETARY SUN دنده A42D A41 A42DL A43D ATM CI HTWC LPG (ATM)
ترمز NO.3, REVERSE A41 A42D A42DL A43D ATM CI HTWC LPG (ATM)
پیستون PLANETARY GEAR, REVERSE COUNTER دنده A41 A42D A42DL A43D ATM CI HTWC LPG (ATM)
پمپ روغن عقب GOVERNOR A41 A42D A42DL A43D ATM CI HTWC LPG (ATM)
سوپاپ بدنه روغن STRAINER A42DL (ATM)
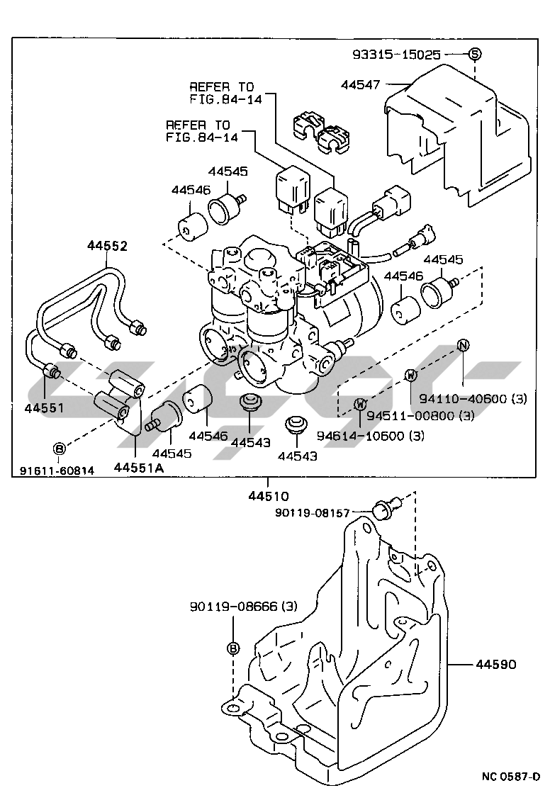
اتصال دریچه گاز سوپاپ اهرم A41 A42D A42DL A43D ATM CI HTWC LPG (ATM)
اتصال دریچه گاز سوپاپ اهرم (ATM)
لوله روغن خنککننده (ATM)
JOINT پروانه شافت UNIVERSAL 5F KYO DSL HTWC LPG SPC TWC
محفظه اکسل عقب دیفرانسیل 5F TWT HTWC SPC TWC
هاب محور اکسل عقب TWC HTWC SPC TWT
هاب محور اکسل عقب
دیسک چرخ کلاهک
هاب اکسل جلو
شافت ستون فرمان
پمپ VANE مخزن (POWER_STEERING)
فرمان قدرت لوله
فرمان AVT AVTG KYO SXL XG
فرمان
اتصال دنده فرمان جلو CI DSL HTWC LPG
کابل ترمز دستی
براکت پدال ترمز
سیلندر اصلی ترمز ESC HTWC SPC TWC
بوستر ترمز وکیوم لوله AISIN KYO SXL XG
بوستر ترمز وکیوم لوله TWC HTWC
بوستر ترمز وکیوم لوله JKC SXL XG
کاور گرد و غبار کالیپر ترمز دیسکی جلو
دیسک عقب ترمز کالیپر گرد و غبار درپوش
گیره لوله ترمز
گیره لوله ترمز ESC
کیت ترمز MAINTENANCE
مفصل فرمان بازوی اکسل جلو
کمک فنر فنر جلو CI DSL HTWC LPG TD
کمک فنر فنر عقب