سبد خرید خالی است
ابزار استاندارد
مجموعه جزئی موتور
بلوک کوتاه مجموعه
تعمیر اساسی موتور واشر کیت 1GGTE 1GGZE
سر سیلندر
بلوک سیلندر
دنده تایمینگ درپوش عقب END صفحه
نصب
شیلنگ تهویه
میل لنگ پیستون
میل بادامک سوپاپ
پمپ روغن موتور
فیلتر روغن
پمپ آب
خروجی آب رادیاتور
V-BELT
منیفولد (لوله ورودی/خروجی موتور)
لوله اگزوز
فیلتر هوا
لوله وکیوم
کویل جرقه، شمع، شمع گرمکن
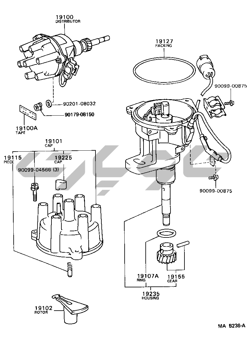
DISTRIBUTOR
دینام 12 ولت 70A 1GGTE 5F
دینام 12 ولت 80A 90A 100A 5F 1G
استارت 12 ولت
سیستم تزریق سوخت